请教大神这个电路的启动电路分析!急!
时间:10-02
整理:3721RD
点击:
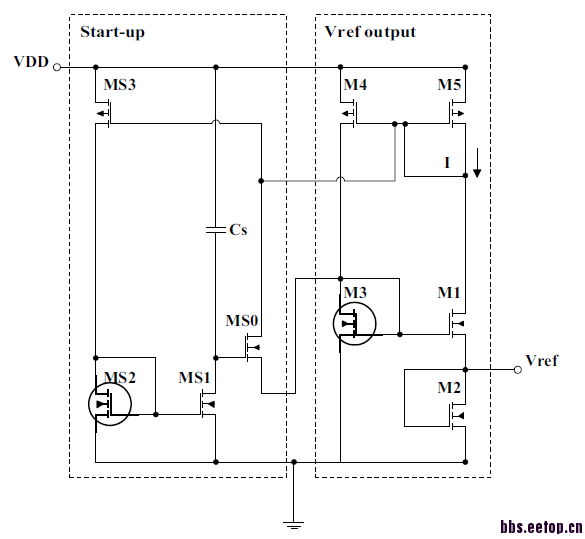
就是这个电路图,其中MS2和M3是高阈值电压MOSFETs,其余管都是标准阈值电压MOSFETs,所有MOS管都工作在亚阈值区。小弟明天答辩,希望有人能帮我一把,跪谢了!
为何人们看了不回啊。好心塞,很急的
