关于数字下变频DDC系统设计的~~用的DSP builder设计~~请大侠指教
时间:10-02
整理:3721RD
点击:

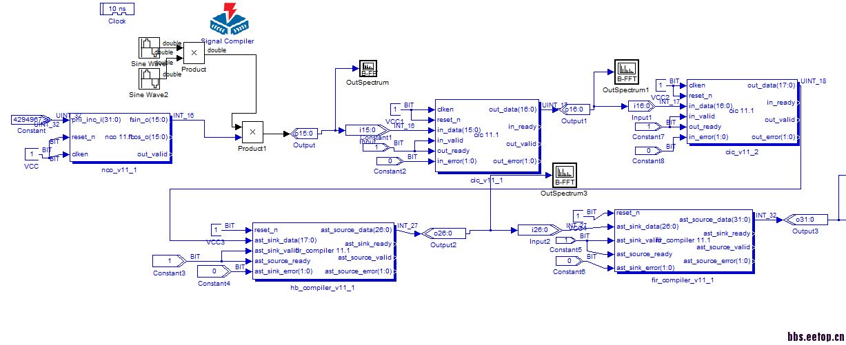
这里product就是通不过,加了2个正弦波做混频用,但是不知道怎么做了
自己先顶一个,其他的都可以过加了2个正弦波做混频就不能通过了,这里该怎么设计?

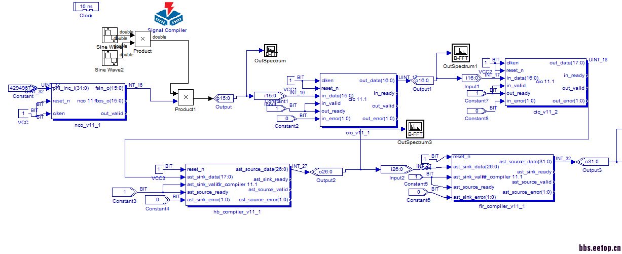
这里product就是通不过,加了2个正弦波做混频用,但是不知道怎么做了
自己先顶一个,其他的都可以过加了2个正弦波做混频就不能通过了,这里该怎么设计?