将microblaze作为ise子模块,bram出错
时间:10-02
整理:3721RD
点击:
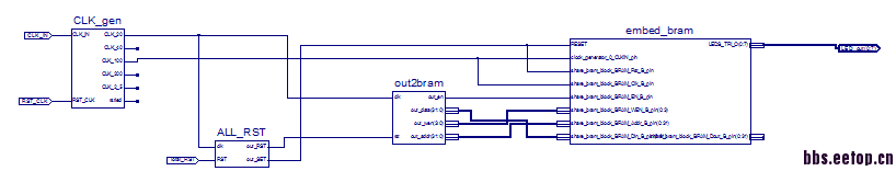
学习使用microblaze,在ise中添加embedded processor,XPS中添加bram,netlist成功,然后将microblaze作为子模块加入到sch文件中,综合,map,route成功,但是最后生成bit文件出错:
错误如下:
ERRORata2MEM:47 - Not all BitLanes in ADDRESS_SPACE
'microblaze_0.axi_bram_ctrl_0_bram_block_combined' have BMM location
constraints.
Some data for this ADDRESS_SPACE may be lost during BIT file
replacement. Verify that the BMM file has location constraints
for all BitLanes.
Bitlane(s)
----------------
XLXI_6/axi_bram_ctrl_0_bram_block/axi_bram_ctrl_0_bram_block/ramb36e1_6 [7:4]
XLXI_6/axi_bram_ctrl_0_bram_block/axi_bram_ctrl_0_bram_block/ramb36e1_7 [3:0]
XLXI_6/axi_bram_ctrl_0_bram_block/axi_bram_ctrl_0_bram_block/ramb36e1_4
[15:12]
XLXI_6/axi_bram_ctrl_0_bram_block/axi_bram_ctrl_0_bram_block/ramb36e1_5
[11:8]
XLXI_6/axi_bram_ctrl_0_bram_block/axi_bram_ctrl_0_bram_block/ramb36e1_2
[23:20]
XLXI_6/axi_bram_ctrl_0_bram_block/axi_bram_ctrl_0_bram_block/ramb36e1_3
[19:16]
XLXI_6/axi_bram_ctrl_0_bram_block/axi_bram_ctrl_0_bram_block/ramb36e1_0
[31:28]
XLXI_6/axi_bram_ctrl_0_bram_block/axi_bram_ctrl_0_bram_block/ramb36e1_1
[27:24]
ERROR:EDK:1001 - Data2Mem generated errors during execution
make: *** [implementation/download.bit] ′íÎó 1
ERROR:EDK -
Error while running "make -f bram_em_test.make init_bram".
ERROR: running XPS to load ELF data to bitstream failed.
ERROR: Bitstream data load failed, XPS did not generate E:/Users/taoge/Desktop/bram_test/embedded/bram_em_test/implementation/download.bit
Process "Generate Programming File" failed
BMM文件:
// File: E:\Users\taoge\Desktop\test\FSL_test\Embed_bram\embed_bram\implementation\embed_bram.bmm
ADDRESS_MAP microblaze_0 MICROBLAZE-LE 100
ADDRESS_SPACE microblaze_0_bram_block_combined COMBINED [0x00000000:0x00007fff]
ADDRESS_RANGE RAMB32
BUS_BLOCK
microblaze_0_bram_block/microblaze_0_bram_block/ramb36e1_0 [31:28] INPUT = microblaze_0_bram_block_combined_0.mem ;
microblaze_0_bram_block/microblaze_0_bram_block/ramb36e1_1 [27:24] INPUT = microblaze_0_bram_block_combined_1.mem ;
microblaze_0_bram_block/microblaze_0_bram_block/ramb36e1_2 [23:20] INPUT = microblaze_0_bram_block_combined_2.mem ;
microblaze_0_bram_block/microblaze_0_bram_block/ramb36e1_3 [19:16] INPUT = microblaze_0_bram_block_combined_3.mem ;
microblaze_0_bram_block/microblaze_0_bram_block/ramb36e1_4 [15:12] INPUT = microblaze_0_bram_block_combined_4.mem ;
microblaze_0_bram_block/microblaze_0_bram_block/ramb36e1_5 [11:8] INPUT = microblaze_0_bram_block_combined_5.mem ;
microblaze_0_bram_block/microblaze_0_bram_block/ramb36e1_6 [7:4] INPUT = microblaze_0_bram_block_combined_6.mem ;
microblaze_0_bram_block/microblaze_0_bram_block/ramb36e1_7 [3:0] INPUT = microblaze_0_bram_block_combined_7.mem ;
END_BUS_BLOCK;
END_ADDRESS_RANGE;
END_ADDRESS_SPACE;
ADDRESS_SPACE share_bram_block_combined COMBINED [0x41418000:0x4141bfff]
ADDRESS_RANGE RAMB32
BUS_BLOCK
share_bram_block/share_bram_block/ramb36e1_0 [31:24] INPUT = share_bram_block_combined_0.mem ;
share_bram_block/share_bram_block/ramb36e1_1 [23:16] INPUT = share_bram_block_combined_1.mem ;
share_bram_block/share_bram_block/ramb36e1_2 [15:8] INPUT = share_bram_block_combined_2.mem ;
share_bram_block/share_bram_block/ramb36e1_3 [7:0] INPUT = share_bram_block_combined_3.mem ;
END_BUS_BLOCK;
END_ADDRESS_RANGE;
END_ADDRESS_SPACE;
END_ADDRESS_MAP;
请高手帮帮忙,不胜感激!


额,怎么没有人回答,我也出现了同样的问题
问题解决了吗 亲
