求助:SSPCLKDIV信号是经过两次分频还是一次分频之后的信号?
时间:10-02
整理:3721RD
点击:
各位好:

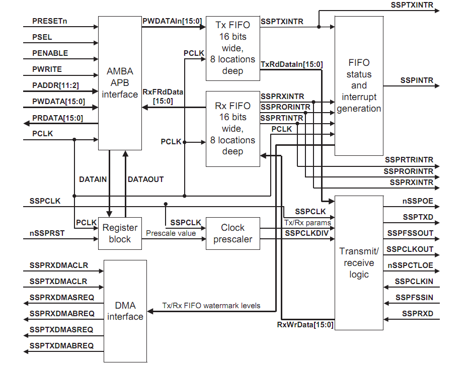
我想知道SSPCLKdiv是经过一次分频,还是经过了两次分频。在SSP配置成主机的时候SSPCLK 和SSPCLKdiv的关系
一:如果SSPCLKdiv是经过了两次分频,是不是在配置成主机的时候SSPCLK 就没有。 我如果在配置成主机的时候,如果用状态机,是不是只需要要SSPCLKdiv控制状态的转移。
二:如果是SSPCLKdiv是经过了一次分频。 我如果在配置成主机的时候,如果用状态机,是不是只需要要SSPCLK控制状态的转移。SSPCLKdiv状态转换的条件,此时SSPCLKdiv还要进行分频。
还有一个问题就是我怎么控制SSPRORINTR的产生。
因为我是开始学习写程序,问题很多,希望得到大家的帮助和指导。谢谢!大家,不胜感激。

我想知道SSPCLKdiv是经过一次分频,还是经过了两次分频。在SSP配置成主机的时候SSPCLK 和SSPCLKdiv的关系
一:如果SSPCLKdiv是经过了两次分频,是不是在配置成主机的时候SSPCLK 就没有。 我如果在配置成主机的时候,如果用状态机,是不是只需要要SSPCLKdiv控制状态的转移。
二:如果是SSPCLKdiv是经过了一次分频。 我如果在配置成主机的时候,如果用状态机,是不是只需要要SSPCLK控制状态的转移。SSPCLKdiv状态转换的条件,此时SSPCLKdiv还要进行分频。
还有一个问题就是我怎么控制SSPRORINTR的产生。
因为我是开始学习写程序,问题很多,希望得到大家的帮助和指导。谢谢!大家,不胜感激。

这些不是程序
这不是程序啊,我是想我问理解的对不对啊?
请问可不可以帮一下忙啊
