modelsim 仿真 DDS输出
时间:10-02
整理:3721RD
点击:
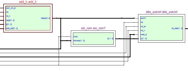
最基本的就一个频率控制字和一个ROM输出是可以的,但前面加了些控制的就不行了,比如前面加了些重复次数,重复时间等等,但输到rom时的地址都是有变化的,为什么输出却一直为零,不知道大家有没有这样的情况。以下是部分的RTL视图,其中address是有变化的。
你要看看rom里面,你填写了值没有
已经可以了,原来是我在quartus中用IP生成rom时用的mif文件和我用modelsim仿真目录下mif文件不是一个文件,造成的结果。谢谢ls的。
