超低功耗的锂电池管理系统设计
此电路可以实现对双向小电流的采样放大及判定电流的方向。R9为采样电阻,考虑到短路时电流较大,其阻值一般很小,本方案中R9阻值设为25mΩ。当电池处于放电状态,假定电流源、R9和LOAD组成的环路电流方向为顺时针,此时DIR1为低电平,DIR2为高电平,M1截止,M2导通。流过R4的电流IR4=R9×IR9/R4,R5输出端的电压信号为VCUR=R9×IR9×R5/R4。当电池处于充电状态时,回路电流为逆时针方向,此时由运放U1完成对电流信号的放大,DIR1 为高电平,DIR2为低电平。当电池处于闲置状态回路无电流时,DIR1和DIR2均为低电平。通过DIR1和DIR2的逻辑状态可以判定锂电池处于放电、充电或者是闲置状态。
4. 电源设计
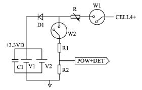
电源设计采用了纽扣电池给系统供电的设计方案,省去了DC/DC和LDO芯片,降低了降压芯片的损耗功耗,电路示意图如图5所示。

图5 数字电源示意图
图中R为数字电位器,选用ADI公司的AD5165,它的调节范围从0~100kΩ,静态电流仅 50nA.V1和V2为纽扣电池,选用日本精工的MS920SE,该型号支持最大800μA的最大电流放电。采集时间到来根据电池组电压值CELL4+ 调整电位器的阻值,R= (R1+ R2)[(CELL4+)-3.6V)],闭合开关W1 和W2 并采集POW_DET的电压,由此来判定纽扣电池的电量。若D1阳极电压值小于充电阈值电压,说明纽扣电池电压过低,则断开W2并调节数字电位器用适当的电流对纽扣电池进行充电。下一个采集周期到来重新调整数字电位器R,闭合W1和W2并采集POW_DET的电压,由此来判定纽扣电池的电量是否充满,若 D1阳极电压大于充电完成阈值电压,说明纽扣电池充满,则断开W1和W2。由此完成对纽扣电池的充电调节控制。3.3V数字电源经LC滤波转换成模拟电源。
5. 软件设计
软件采用模块化设计,主要包含了初始化模块、纽扣电池电量检测和控制模块、电池组状态检测和异常处理模块、电量估算模块4部分。文中给出了电池组状态检测和异常处理模块的软件流程图,如图6所示。
系统每次采集完电池组的各项信息后会将本次的测量值和历史记录值比较,若判定本次测量值为最大或者最小值,则将该值覆盖历史值,并保存在存储设备中。每次的异常状况也都会记录保存,现场的PC可以通过串口读取存储设备中的日志,查看异 常信息。

图6 电池组状态检测和控制软件流程图
SOC估算采用了开路电压和安时 积分相结合的估算方法,对SOC估算精度的影响因素众多,温度、放电电流、循环次数等都会带来误差,有一种SOC估算公式:

其中:SOC为当前的电量,SOC0为初始状态的电荷量,C为电池的容量,K为修正系数,为经验值。I为测得的瞬时电流,充电为负值,放电为正值。为了得到精确的SOC估算值,需要在运用安时积分法时定期或不定期地对于SOC0进行修正。
某燃气仪表的工作电流较为平稳,功率P=U×I为一固定值,由公式可知随着电池电压的降低,仪表的工作电流增大。鉴于电池电压变化缓慢,本方案中电流采样电路设置为每隔5min采样一次,以达到降低功耗的目的。将第n次采样电流in视为该次采样周期内的平均电流,由此可得

锂电池管理系统可以根据目前的工作电流与SOC情况估算出剩余的续航时间。
结语
有些低功耗的仪表对电池的续航时间有特殊的要求,本设计针对续航时间较长的应用需求,通过硬件和软件低功耗技术设计了一种应用于低功耗仪表的锂电池管理系统,可以完成对4串8并32节低温锂电池组的管理功能。经某燃气远程监控仪表运行试验,锂电池管理系统各项功能性能良好,工作电流仅为145μA,远远低于现有的锂电池智能管理系统。
锂电池 相关文章:
- 保护锂电池的设计(08-29)
- 关于交直流两用后备电源的设计(12-27)
- 实现扣式锂电池设计方案及影响因素(01-04)
- 以单片机为核心的电池管理系统的解决方案(02-06)
- 基于单片机的电池保护电路系统设计(02-24)
- 简单电路在锂电池充电器测试上的应用(02-28)
