How to use MWO design predistorter?
As can be seen from the pictures attached, the blue line is the output from the the last attenuator, the brown line is the output from the first combiner (starting from left), the pink is the output from the second combiner.
I have a couple of questions:
1) The three ACPR remain exactly the same shape with different power with out any IMD band. Could anyone help?
2) In addition, wondering if it's possible to do two-tone test in system schematics? and how? cause I think ACPR is a bit complex to analyze the IMD effect.
3)Is it possible to do a characteristic plotting for the predistorter in the system schematics? I was thinking about comparing the inverse characteristic of the amplifier.
4) How do I relate the phase change at each node to the AM/PM improvement?


Thanks a lot
Hello sirod,
ANSWERS
1) Is this is with reference to AWR VSS Example or your own Class AB AMP TestBench results you are referring??
If it is your AMP design then upload VSS project file?
2)
Yes, Two Tone test can be using System Diagrams in VSS, Just you need to add TONE block (RF Block => Sources)
Or use the VNA_LS meter block & set the tones & power sweep
3)
Yes, possible to plot the AM/AM characteristic of Predistortor in System diagram &
you can compare the inverse characteristics in single Graph plot see the attached example
4) Plot AM/PM measurement all nodes & also add ?Annotate VSS Node Static Phase Rotations: PHSROT? to system diagram
---manju---
Hello, Manju
Thanks very much for the tip. I still have a couple questions:
1. I find the Tone source input, but I'm not sure how to set it to 2-tone?
2. In addition, the amplifier I'm using is an amplifier I designed myself, I'm not sure how to adjust the attenuator and phase to achieve the linearization effect. Is this process meant to be random tuning each block?
3. The IQ constellation diagram from the example predistorter is rotated to a small extent, wonder how I can correct it back to the original QPSK signal?
Thank you very much for the help!
Sirod.
Hello Sirod,
u r welcome..8). Here are the answers for new queries...
1) in the TONE block the (FRQ.)- tone frequencies parameter. Enter a vector of frequencies for multiple tones, for example {1.5,2.5,3.5} GHz for three tones at 1.5, 2.5, and 3.5 GHz, or use the "stepped" command, as in stepped(1.5e9,3.5e9,1e9). Please note that when using the stepped command or a variable, the frequency units revert to the basic frequency unit (Hz), even if the default unit of the project (specified under Options > Project Options > Global Units) is something else.
Go through the following VSS example "LIN_S_Touchstone.emp" TONE blocks FREQ parameter set as stepped(2.3g,2.6g,0.001g) which sweeps frequency...
Also see the attached simple example...
2.
Yeah, you need to do some calculated Radom tuning ...Upload your VSS file (*.emp) then will know how to setup to achive the results...
3. hmmmnnn... looks roated lot use the Imbalance block (Magnitude, Phase & DC shift) to correct the same, I tried but looks i need to set exact values to correct...
try yourself by using the attached example ...
---manju---
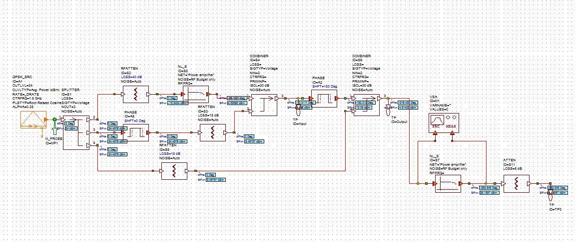
Hey Manju,
Here attached is my predistorter and the power amplifier.
1. I also tried EVM measurement, but seems they don't provide measurement for percentage? I got quite wired EVM characteristics.
2. I tried to plot the predistorter's transfer function, but the measurement always seems to be a straight line?
3. In your attached file, I see that you redesigned the input imbalance, I wonder what is used for? Is it for correcting the phase? I added a phase block in the third path trying to correcting the phase, but it doesn't seem to work well. what do you think the phase block's function is in the predistorter? There is also a digital phase shifter in your file, and wonder what that is used for?
4. You will probably see that my AM/PM is really wired...and it does not follow the AM/PM line in the circuit design, I guess it's again the phase problem?
Thanks very much for keeping in touch!
