1Watt RF Amplifier (Class A)

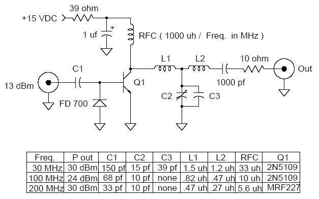
I came across this RF amplifier on an internet quest and suspect that it was just the thing I was after. The schematic shows up in various website, but doesn't have any author I could find.
However, as a newbie, I thought I'd squeeze all the big juicy brains here to see what they think of my changes.
1. It will attach to output of a 25mW 150MHz NBFM transmitter (i.e. think stage/microphone transmitter)
2. It will operate at 9V--on a standard battery, not 15V.
3. I plan to change R1 from 39Ω to 22Ω to maintain about the same current thru Q1. (I'll use using a 1/2W Radio Shack version)
4. C1 will be 56p. I interpolate this as the "center" between 68pF at 100MHz and 33pF at 200MHz.
5. Similarly, L1 will be .66μH and L2 will be .36μH; given the inductor values for 100 & 200 MHz. (Coilcraft shielded versions will be used)
6. I plan to use a 2N2219A for Q1 -- well, just because I don't have a MRF227, but I have a couple of 2219s lying around.
7. C2 is just a 5-25pF variable trimmer cap.
Does anyone see something blatantly wrong... that will go poof or pop when I breadboard this?
The only weird part is that FD700 high speed diode, but I found one at Alltronics. In fact, I'm not even clear about its function.
Thanks all!
Pete
KE?BRS
2N2219A has an Ft of 300 MHZ, MRF227 does not have a Ft, just a 14 dB power gain at 225 MHZ. But if your Hfe is 1 @ 300 MHZ, then at 150 MHZ, it should be greater then 2, so its power gain should be 2 X Vin/Vout. So it looks like it might work OK. You could get a useful increase in gain by using a PI network to transform the input impedance from 50 ohms to match the transistor base ~ 200 ohms?
The diode is to protect the b-e junction when the incoming RF is going negative.
Frank
This works better with more power with filter using resonant feedback and one transistor for Tx,, rather than no feedback, distorted and 3rd order LPF to reduce harmonics. The cap ratio on collector, CE and emitter gives negative feedback in controlling filter gain and low distortion.
Neglect RX amp to the right, Use 3-10uH instead of Transfo

Use inductor instead of transformer. Impedance can be matched by choice of passive values.
That is clearly a class C design not class A.....
However for FM that is not a problem, but I would note the need for an output filter as class C stages tend to be harmonically rich, and the tuned ouput network on its own is seldom sufficient.
Input matching can help, but then you usually need a few tens of ohms from the base to ground to ensure stability.
Do check that the SRF of those inductors is much greater then the operating frequency, usually for output networks up there you see air wound coils rather then ferrite.
My instinct for a VHF amp is that you need a transistor having an Ft of at least twice the operating frequency, so maybe find something around 500MHz or so.
Layout will be critical, leads need to be minimum length and it should be built over a groundplane.
The lower supply voltage should really change the output network (The collector impedance needs to be lower by the square of the ratio for the same power output), so you might get a third of a watt or so on 9V rather then V15.
VHF and up is a fascinating study, but so very picky to get really right.
Regards, Dan.
Perhaps the most important change that you have to do in the posted schematic is to replace the input diode (FD700) with a small ferrite bead RF choke.
Using a diode in that place, is only giving more headache.
This RF amp is clamp biased by a power Schottky diode so the input signal level is critical. Too small and the diode will not bias the capacitor to Vbe=0.7 , too large and Vbe will distort.
So the critical level where it works is -13dBm or 50mW or 141mV p-p or is that +13dBm and 1Vrms ?
In my opinion, this is a poor design to follow as the input level is critical to control bias level and thus gain unless you want the input level to control gain and distortion of output level.
Any substitutions will likely fail and LC values dependent on layout
