mvsim仿真 supply_on 求助
时间:10-02
整理:3721RD
点击:
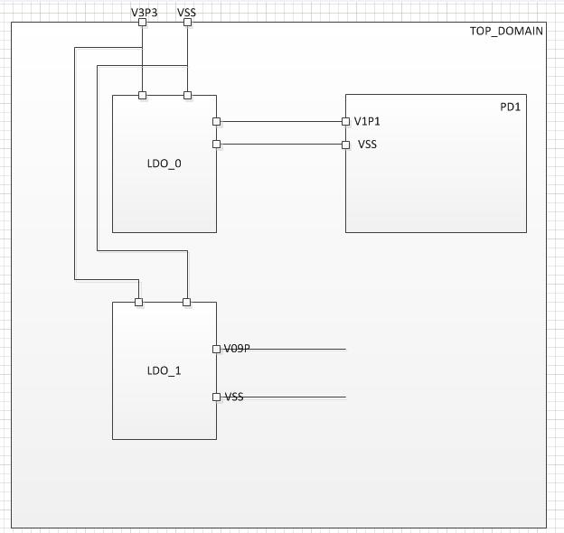
大神好,求教一个mvsim仿真,电源添加的一个问题,如下图,设计有两个power domain,顶层TOP_DOMAIN,下面一个PD1。TOP_DOMAIN由V1P1供电,1.1V,由模拟LDO_0产生;PD1由V09P供电,由模拟LDO_1产生。LDO_0/LDO_1由片外V3P3供电。我在testbench中写supply_on("V1P1",1.1);supply_on("V09P",0.9)或者supply_on("PD1/V1P1",1.1);supply_on("TOP/V09P",0.9);都提示找不到这些port,写supply_on("V3P3",3.0)可以工作;
请问大神,怎么将电压直接加到V1P1和V09P上,多谢多谢。

supply_on肯定只能加在顶层啊,就相当于实际使用时给你芯片上电。
至于上电后芯片里面的各个电源域怎么动作,应该在upf文件里描述。仿真器根据upf的描述会自动给芯片内部上电的。
因为芯片外面是接的3v,经过LDO转成0.9v和1.1v给芯片一些模块供电,所有我想能不能直接供0.9和1.1到芯片内部,我在mvsim手册里看到他有这样写。
你这样的情况,最好是在LDO的 仿真 模型里 改,支持特定电压的输出
您好,是在.v的仿真模型里面用supply_on 这样的吗,请问有哪些资料可以参考一下吗,谢谢
没什么具体资料,主要sv语法的资料
比如简单的power gate
moudle PG(
input supply_net_type VIN,
input EN,
output supply_net_type VOUT);
always @(EN)
begin
if(EN==1'b1)
VOUT = VIN;
else if(EN==1'b0)
VOUT.state = OFF;
else
VOUT.state = UNDERTERMINED;
end
多谢大神,我研究研究,谢谢。
