请教下,关于用verilog实现一个从2开始的模8计数器
时间:10-02
整理:3721RD
点击:
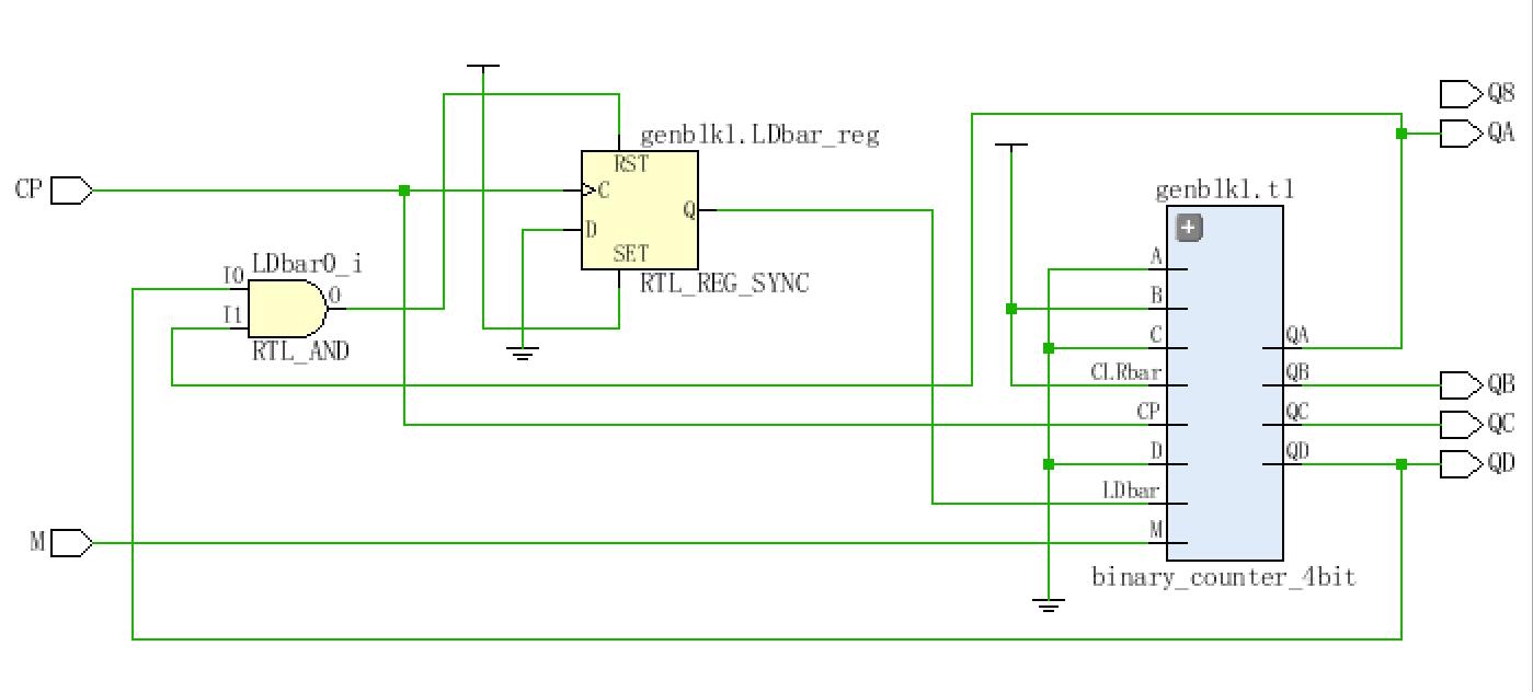
这是利用一个4位二进制计数器实现一个从2开始的模8计数器。
关于4位二进制计数器的端口说明:
1.QD,QC,QB,QA为输出计数值
2.ABCD为预制初值
3.LDbar=0时,QD=D,QC=C,QB=B,QA=A
4.CLRbar=0时,QD,QC,QB,QA都为0。
这个模8计数器,从2开始计数到9就跳回2,Q8为从9到2时输出一个负脉冲。
而现在问题是,我的模块代码如下,生成的电路图并Q8端口并没有连在电路上,
按理来说,应该条件语句中给他赋值了,应该就会有导线连在Q8了吧?
请大家帮忙分析下,谢谢!
- module octal_counter(
- input CP,M,
- output QA,QB,QC,QD,Q8
- );
- begin
- reg A,B,C,D,LDbar,CLRbar,Q8;
- initial
- begin
- A<=0;
- B<=1;
- C<=0;
- D<=0;
- CLRbar<=1;
- LDbar<=1;
- end
- //LDbar=0时,QD=D,QC=C,QB=B,QA=A
- binary_counter_4bit t1(A,B,C,D,M,LDbar,CLRbar,CP,QA,QB,QC,QD,QCCbar);
-
- always @(posedge CP)
- begin
- if(QD&&QA) //当QDQCQBQA=1001时,恢复预设值ABCD
- begin
- Q8=0;
- LDbar=0;
- end
- else
- begin
- Q8=1;
- LDbar=1;
- end
- end
- end
- endmodule
