新人用quartus ii 制作冯•诺依曼架构计算机(貌似主要是CPU)!
时间:10-02
整理:3721RD
点击:
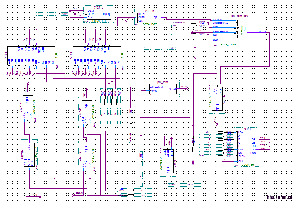
得到同学的制作。但不懂有些地方代表什么。也不知道这样做是不是对的。

几个74273b 分别是什么?
