IIR滤波器的反馈信号无限放大,怎么样限制
时间:10-02
整理:3721RD
点击:
我在用DSP Builder做一个IIR滤波器
滤波器的参数是 Butterworth,采样频率是200 KHz,通带频率是2.5——7.5 KHz,2阶
我使用Matlab求滤波器的参数
BandPass = [2.5 7.5];
SampleFrequency = 200;
NyquistFrequency = SampleFrequency / 2;
Wn = BandPass / NyquistFrequency;
[z,p,k] = butter( 2 , Wn );
[SOS,Gain] = zp2sos(z,p,k);
得到参数为:
SOS =
1.0000 2.0000 1.0000 1.0000 -1.8156 0.8559
1.0000 -2.0000 1.0000 1.0000 -1.9281 0.9357
Gain =
0.0055
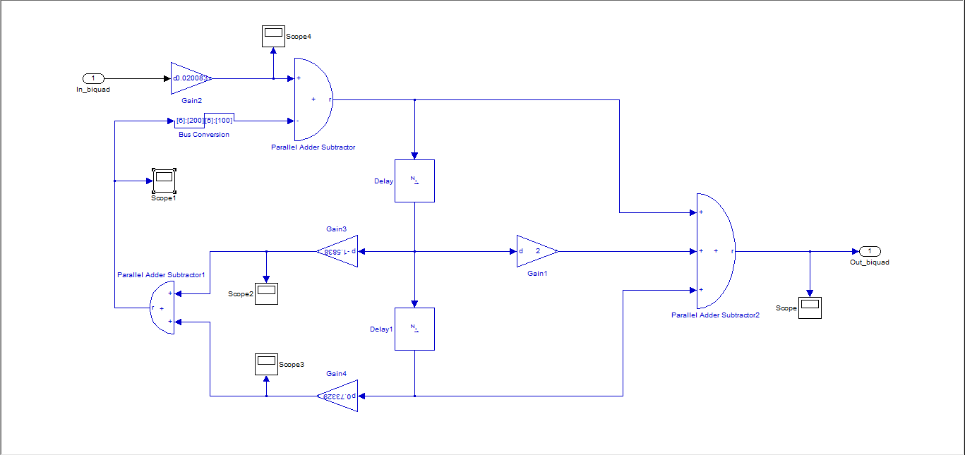
使用DSP Builder 搭建二阶模块时,图中 Scope 1 的信号在无限放大,我不知道 Bus Conversion 应该怎么设,然后其他好像也有问题,求解。
这个滤波器的极点非常靠近单位圆,不知道会不会出问题。
滤波器的参数是 Butterworth,采样频率是200 KHz,通带频率是2.5——7.5 KHz,2阶
我使用Matlab求滤波器的参数
BandPass = [2.5 7.5];
SampleFrequency = 200;
NyquistFrequency = SampleFrequency / 2;
Wn = BandPass / NyquistFrequency;
[z,p,k] = butter( 2 , Wn );
[SOS,Gain] = zp2sos(z,p,k);
得到参数为:
SOS =
1.0000 2.0000 1.0000 1.0000 -1.8156 0.8559
1.0000 -2.0000 1.0000 1.0000 -1.9281 0.9357
Gain =
0.0055
使用DSP Builder 搭建二阶模块时,图中 Scope 1 的信号在无限放大,我不知道 Bus Conversion 应该怎么设,然后其他好像也有问题,求解。
这个滤波器的极点非常靠近单位圆,不知道会不会出问题。
等回复,谢谢
也等回复
我的感觉是实现的问题,按说不应该会出现这中情况。
问一下:
1.实现的方案有没有在matlab上仿真一下,会不会有无线放大的情况?
2.verilog实现跟实现方案有没有偏差?
FPGA实现肯定跟实际模拟的效果有一点偏差。
