微波EDA网,见证研发工程师的成长!
首页 > 研发问答 > 嵌入式设计讨论 > FPGA,CPLD和ASIC > 请教大虾们这样的时序约束如何添加

请教大虾们这样的时序约束如何添加

时间:10-02 整理:3721RD 点击:



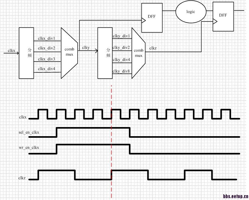
如何上图,分频器都是寄存器做的,mux是用逻辑实现的,时序图列出了clkx与clkz之间4分频时的数据采集关系。
哪位大虾能写出本电路完整的时序约束的SDC文件?尤其不明白clkx和clkz之间应该如何约束。

顶贴只为下载,喔喔呵呵

Copyright © 2017-2020 微波EDA网 版权所有

网站地图

Top