Active-HDL 是前仿真吗?
时间:10-02
整理:3721RD
点击:
写了一个程序,代码如下:
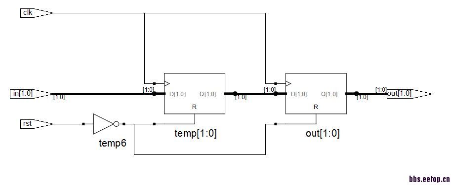
经过综合,RTL图如下:

可见out和temp的赋值是同时进行的,没有先后顺序,若使用非阻塞型的赋值,情况也是如此;
用Active-HDL的testbench进行仿真,代码如下:
仿真结果时序图如下:

out和temp是同步进行输出,所以我判断改仿真为前仿真,没有考虑D触发器的计算时间。
- //在两个进程中进行阻塞赋值,观察时候有先后顺序;并观察testbench的结果,以判断testbench是前仿还是后仿
- module test9(clk,rst,in,temp,out);
- input clk,rst;
- input [1:0] in;
- output reg [1:0] out;
- output reg [1:0] temp;
- always @(posedge clk or negedge rst)
- if(!rst)
- temp=in;
- else
- temp=temp+1;
- always @(posedge clk or negedge rst)
- if(!rst)
- out=0;
- else
- out=temp;
- endmodule
经过综合,RTL图如下:

可见out和temp的赋值是同时进行的,没有先后顺序,若使用非阻塞型的赋值,情况也是如此;
用Active-HDL的testbench进行仿真,代码如下:
- //-----------------------------------------------------------------------------
- //
- // Title : test9_1
- // Design : test9
- // Author :
- // Company :
- //
- //-----------------------------------------------------------------------------
- //
- // File : test9_1.v
- // Generated : Fri May 17 10:59:29 2013
- // From : interface description file
- // By : Itf2Vhdl ver. 1.22
- //
- //-----------------------------------------------------------------------------
- //
- // Description :
- //
- //-----------------------------------------------------------------------------
- `timescale 1 ns / 1 ps
- //{{ Section below this comment is automatically maintained
- // and may be overwritten
- //{module {test9_1}}
- module test9_1 ();
- //}} End of automatically maintained section
- // -- Enter your statements here -- //
- reg clk,rst;
- reg [1:0] in;
- wire [1:0] out,temp;
- initial
- begin
- rst=1;
- #10 rst=0;
- #10 rst=1;
- end
- initial
- clk=0;
- always
- #5 clk=~clk;
- initial
- in=0;
-
- test9 cc(clk,rst,in,temp,out);
- endmodule
- //在两个进程中进行阻塞赋值,观察时候有先后顺序;并观察testbench的结果,以判断testbench是前仿还是后仿
- module test9(clk,rst,in,temp,out);
- input clk,rst;
- input [1:0] in;
- output reg [1:0] out;
- output reg [1:0] temp;
- always @(posedge clk or negedge rst)
- if(!rst)
- temp=in;
- else
- temp=temp+1;
- always @(posedge clk or negedge rst)
- if(!rst)
- out=0;
- else
- out=temp;
- endmodule
仿真结果时序图如下:

out和temp是同步进行输出,所以我判断改仿真为前仿真,没有考虑D触发器的计算时间。
