关于crc移位寄存器的设计
module serial_crc_ccitt (
clk ,
reset ,
enable ,
init ,
data_in ,
crc_out
);
//-----------Input Ports---------------
input clk ;
input reset ;
input enable ;
input init ;
input data_in ;
//-----------Output Ports---------------
output [15:0] crc_out;
//------------Internal Variables--------
reg [15:0] lfsr;
//-------------Code Start-----------------
assign crc_out = lfsr;
// Logic to CRC Calculation
always @ (posedge clk)
if (reset) begin
lfsr <= 16'hFFFF;
end else if (enable) begin
if (init) begin
lfsr <= 16'hFFFF;
end else begin
lfsr[0] <= data_in ^ lfsr[15];
lfsr[1] <= lfsr[0];
lfsr[2] <= lfsr[1];
lfsr[3] <= lfsr[2];
lfsr[4] <= lfsr[3];
lfsr[5] <= lfsr[4] ^ data_in ^ lfsr[15];// ?
lfsr[6] <= lfsr[5];
lfsr[7] <= lfsr[6];
lfsr[8] <= lfsr[7];
lfsr[9] <= lfsr[8];
lfsr[10] <= lfsr[9];
lfsr[11] <= lfsr[10];
lfsr[12] <= lfsr[11] ^ data_in ^ lfsr[15];//?
lfsr[13] <= lfsr[12];
lfsr[14] <= lfsr[13];
lfsr[15] <= lfsr[14];
end
end
endmodule
其中的两行 lfsr[5] <= lfsr[4] ^ data_in ^ lfsr[15];
lfsr[12] <= lfsr[11] ^ data_in ^ lfsr[15];
为什么lfsr[4]和lfsr[11]要和(data_in ^ lfsr[15])异或呢?不是应该和lfsr[15]异或吗?
比如如果lfsr[15]是0,就应该直接移位不做除法。但如果data_in是1,lfsr[4]和lfsr[11]就会和1异或,而不是直接移位。
有个软件,把这种LFSR描述的很形象,有图,很直观,还可以自动生成代码和相应序列什么的
“LFSR 代码自动生成工具v1.2”
http://www.fpga.com.cn/freeip.htm#others
原理是什么呢
去看一下CRC算法的原理图就明白是怎么回事了。
如果lfsr[15]是0,就应该直接移位不做除法。但如果data_in是1,lfsr[4]和lfsr[11]就会和1异或,而不是直接移位。 这不就和crc算法不一致了吗?
是不是应该写成
always @ (posedge clk)
if (reset) begin
lfsr <= 16'hFFFF;
end else if (enable) begin
if (init) begin
lfsr <= 16'hFFFF;
end else begin
lfsr[0] <= data_in ^ lfsr[15];
lfsr[1] <= lfsr[0];
lfsr[2] <= lfsr[1];
lfsr[3] <= lfsr[2];
lfsr[4] <= lfsr[3];
lfsr[5] <= lfsr[4] ^ lfsr[15];
lfsr[6] <= lfsr[5];
lfsr[7] <= lfsr[6];
lfsr[8] <= lfsr[7];
lfsr[9] <= lfsr[8];
lfsr[10] <= lfsr[9];
lfsr[11] <= lfsr[10];
lfsr[12] <= lfsr[11] ^ lfsr[15];
lfsr[13] <= lfsr[12];
lfsr[14] <= lfsr[13];
lfsr[15] <= lfsr[14];
end
end
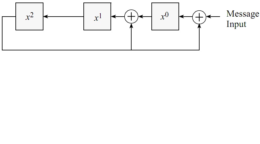
看一下CRC的多项试,把那个抽头的图话出来就可以理解了


G=x3+x+1
这两种结构等价吗
假设计算CRC16,第一个图对应的输入数据应该是{data_in,16'b0}串行输入,第二个图对应的输入数据就是data_in的串行输入,第一个原理好明白,但是第二个还没搞清楚,这两个图都是正确的,但是输入数据不同
