求助关于后仿中时序的问题,谢谢
时间:10-02
整理:3721RD
点击:
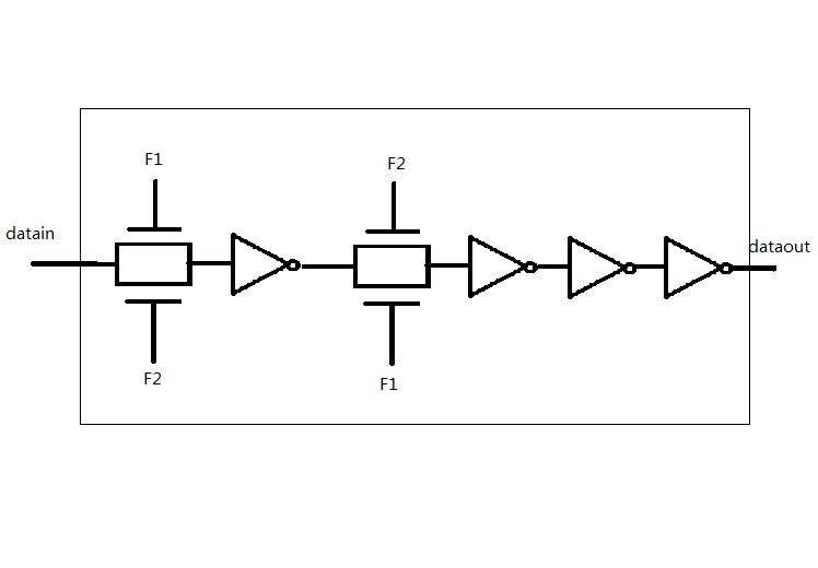
做了个简单的移位寄存器,基本单元示意图如下图所示:

其中F1为时钟信号,F2为F1接一个反向器后的信号,两者控制传输门。
图1所示为基本单元,若干单元串联起来形成移位寄存器。
我用这个就是为了实现将一个时钟周期的脉冲从每一个寄存器依次向传过去,将每个单元的dataout引出去,从而产生如下波形

前仿也成功了,正是想要的波形。不过后仿的结果却不对,如下图示

麻烦帮忙分析下是什么原因或是怎么修改检测啥的。每个寄存器的输出都比前一个寄存器的输出脉宽多了半个时钟周期。
谢谢啦....

其中F1为时钟信号,F2为F1接一个反向器后的信号,两者控制传输门。
图1所示为基本单元,若干单元串联起来形成移位寄存器。
我用这个就是为了实现将一个时钟周期的脉冲从每一个寄存器依次向传过去,将每个单元的dataout引出去,从而产生如下波形

前仿也成功了,正是想要的波形。不过后仿的结果却不对,如下图示

麻烦帮忙分析下是什么原因或是怎么修改检测啥的。每个寄存器的输出都比前一个寄存器的输出脉宽多了半个时钟周期。
谢谢啦....
找到原因了,谢谢》。因为时钟overlap的问题,前仿中由于overlap很小,信号的延迟比时钟overlap大,所以没影响,后仿就不行了....暂时是通过使用传输管解决了问题。另外,提参数发现勾选ground all coupling capacitors了的话用传输门也成功,但不勾选就不对...不知道什么原因。
