电路求教!
时间:10-02
整理:3721RD
点击:
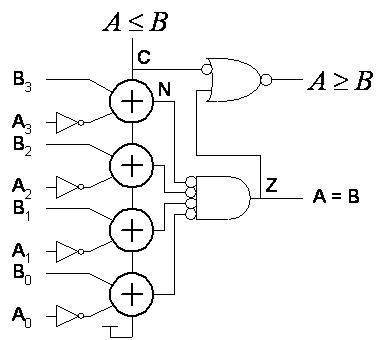
图中比较器的右上输出怎么会是“A>=B”?不应该是“A<B”吗?
大家帮忙看看,谢谢啦!
大家帮忙看看,谢谢啦!

右上角的或非门应该是或门吧?!大家鉴定下呀!
理解不知是否正确,无人鉴定下?!
右上角是C取反,然后和Z一起通过或非门。
国际上标准画法不是这样的。但是感觉这个好看点。
嗯 你是对的
这个输出的是 负逻辑
hehe
我也觉得是A<B
多谢!
标注成“A>=B”,如果按硬要说这是正确的话,只能按照“负逻辑”理解!
但显然不太合理!
看来国外大牛书疏忽之处也不可避免呀!
不过这类书中文/翻译的都没法看!
对,你分析的是正确的
