请问哪位知道该同步器的出处?
时间:10-02
整理:3721RD
点击:
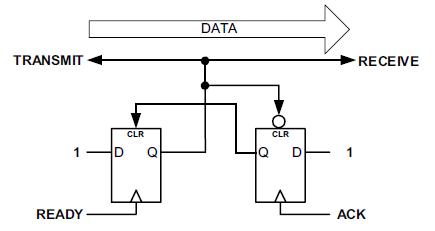
图形见附件!多谢

画一下ack Q1 Q2 ready的关系应该能看出来,貌似是个握手类的接口,ACK抢占总线,ready将总线拉高。
没用用过此类接口,只是看看供参考
2# 我将真事隐去
多谢!
电路我已经理解了,只是我想找到这个同步器是在那篇文章中出现的。
