无线基站的高线性度混频器关键性能
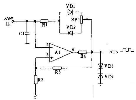
将混频器内核与LO放大器、非平衡变压器和LO开关集成在一起对于一些应用非常有益。 五、为无线基站选择高线性度混频器 通用PCB接收机布板提高设计灵活性 目前,针对不同频率范围采用同一电路板布局可有效减轻开发工作的负荷。只需改动少数关键元件,即可将900MHz GSM接收机系统设计用于1800MHz GSM系统。 引脚兼容的混频器系列产品非常适合采用同一通用PCB布局支持多频段无线架构的应用。最终目标是开发一个电路布局用于多种标准的无线基站,支持GSM、UMTS、WiMAX™和LTE应用。 例如,接收链路中,类似于MAX2029的无源混频器可以对接收信号进行下变频,而同样的混频器可以在发送链路对IF信号进行上变频,将其转换到最终发射频率。图2所示电路中集成了所有外部元件:LO缓冲放大器、非平衡变压器和LO开关。 图2. 无源混频器框图 作为下变频器,MAX2029可提供36.5dBm的IIP3、27dBm的IP1dB、6.5dB的变换损耗以及6.7dB的噪声系数。由于MAX2029的SiGe处理工艺大大提高了器件性能,非常适合要求超高线性度和低噪声系数的基站应用。 2RF - 2LO抑制(-10dBm RF输入信号时为72dBc)有助于降低中心频率附近谐波分量的滤波要求,从而简化滤波器设计,提高性价比。MAX2029扩展了815MHz至1000MHz的低端频率范围。作为引脚兼容的混频器系列(包括MAX2039和MAX2041)产品的一员,MAX2029允许接收机采用同一PCB布局支持不同频率范围、不同通信标准的设计。 有源混频器既可采用平衡式(吉尔伯特单元)设计,亦可采用无源混频器与IF放大器相组合的形式。例如,MAX9986即采用了第二种配置。较低的噪声系数允许混频器之前采用很低的RF增益,有助于改善接收机的线性度。另一方面,如果为了降低串联噪声系数而增大混频器前级的增益时,混频器必须具备足够高的线性度,以保证接收机的整体线性度指标。 正确选择混频器 从互联网搜索混频器时,很难筛选出不同混频器的全部技术指标列表,需要做出优化选择。幸运的是,我们提供基于web的参数搜索工具,帮助您完成这项工作。设计工程师可利用参数搜索工具快速找到最合适的IC。在一个网页即可显示所有检索要求,列出筛选结果和相关型号。更改任何检索条件都将立即刷新型号列表。检索功能包括:单击筛选框、滑动条筛选控制、多级筛选及其它多项提示工具。提供了一种最便捷的型号查找途径。 图3. 该web工具能够列出符合筛选条件的产品—在用户做出决定之前 图3所示的搜索结果列出了具有10dB增益、专为基站设计的有源混频器。推荐型号为MAX9986。点击型号链接,即可直接进入该器件的快速浏览网页,找到相关的数据资料、应用笔记及其它更多信息。 利用Maxim的web工具进行参数搜索,能够得到符合一组筛选条件的产品型号—在用户做出决定之前。“智能”搜索算法只显示符合规格要求的器件。用户不能选择排除所有型号。该参数搜索工具采用最新版的Web 2.0技术,无需在用户系统上安装任何插件。 六、方波发生器电路图 组成的问路改为两个二极管(VDl)和VD2)和电阻(R1和RPl)构成的网络.使电容器Cl的充放电时间常数不等,达到改变占空比的目的。它是利用电容两端电压Uc1即运算放大器Al的②脚与@脚相比较,由此决定输出电压u。的极性是¨正还是负。u的极性又决定通过电容C1的电流是充电(使Uc增加).还是放电(使u c,减少);而uc1的大小再次决定Un的极性。如此不断反复,产生了方波。 目前,无线基站等通信系统对接收灵敏度和大信号性能提出了非常高的要求。本文着重讨论混频器的相关问题,介绍了混频器的几个关键性能以及数据资料中提供的基本参数。文章探讨了如何选择最佳混频器优化接收通道的性能。


- 飞思卡尔小基站解决方案治理4G时代的无线网络“城市病”(08-18)
