小梅哥和你一起深入学习FPGA之数码钟(上)
时间:02-17
来源:互联网
点击:
一、 实验目的
实现数码时钟的功能,要求能够进行24时制时、分、秒的显示,并能够通过按键调整时间。
二、 实验原理
通过对系统时钟进行计数,获得1S的标准信号,再以该信号为基础,进行时、分、秒的计数,通过数码管将该计数值显示出来,即可实现数字钟的功能。同时可以使用独立按键对时、分、秒计数器的初始值进行设置,即可实现时间的设定。
三、 硬件设计
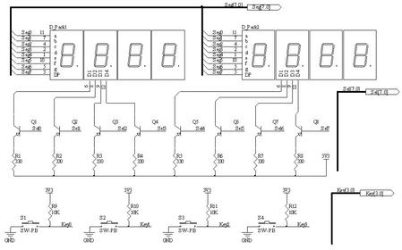
本实验硬件电路简单,用到了8个数码管和4个独立按键。硬件电路如下:

图3-1 数字钟电路
四、 架构设计
本实验设计架构模块较多,下图为数字钟的架构:

图4-1 数字钟实验模块组织结构图
由图可知本实验有16个输出端口和6个输入端口,各端口的意义如下

实现数码时钟的功能,要求能够进行24时制时、分、秒的显示,并能够通过按键调整时间。
二、 实验原理
通过对系统时钟进行计数,获得1S的标准信号,再以该信号为基础,进行时、分、秒的计数,通过数码管将该计数值显示出来,即可实现数字钟的功能。同时可以使用独立按键对时、分、秒计数器的初始值进行设置,即可实现时间的设定。
三、 硬件设计
本实验硬件电路简单,用到了8个数码管和4个独立按键。硬件电路如下:

图3-1 数字钟电路
四、 架构设计
本实验设计架构模块较多,下图为数字钟的架构:

图4-1 数字钟实验模块组织结构图
由图可知本实验有16个输出端口和6个输入端口,各端口的意义如下

电路 相关文章:
- 基于Virtex-5 FPGA设计Gbps无线通信基站(05-12)
- 基于FPGA的DVI/HDMI接口实现(05-13)
- 基于ARM的嵌入式系统中从串配置FPGA的实现(06-09)
- 基于PLB总线的H.264整数变换量化软核的设计(03-20)
- FPGA按键模式的研究与设计(03-24)
- 周立功:如何兼顾学习ARM与FPGA(05-23)
