详解MOSFET的驱动技术及应用
时间:02-25
来源:互联网
点击:
围其实很简单,参考datasheet即可。
ISL21XX驱动桥式电路示意图:
自举电容主要在于其大小,该电容在充电之后,就要对MOS的结电容充电,如果驱动电路上有其他功耗器件,也是该电容供电的。所以要求该电容足够大,在提供电荷之后,电容上的电压下跌最好不要超过原先值的10%,这样才能保证驱动电压。但是也不用太大,太大的电容会导致二极管在充电的时候,冲击电流过大。
对于二极管,由于平均电流不会太大,只要保证是快速二极管。当然,当自举电压比较低的时候,这个二极管的正向压降,尽量选小的。
电容没什么,磁片电容,几百n就可以了。但是二极管,要超快的,而且耐压要够。电流不用太大,1A足够。
隔离驱动。当控制和MOS处于电气隔离状态下,自举驱动就无法胜任了,那么就需要隔离驱动了。下面来讨论隔离驱动中最常用的,变压器隔离驱动。
看个最简单的隔离驱动电路,被驱动的对象是Q1。
驱动源参数为12V ,100KHz, D=0.5。
驱动变压器电感量为200uH,匝比为1:1。
为什么驱动电压会下降呢,是因为V1的电压直流分量,完全被C1阻挡了。所以C1也称为隔直电容。
下图为C1上的电压。
从这里可以看到,这种驱动,有个明显的特点,就是驱动电平,最终到达MOS的时候,电压幅度减小了,具体减小多少呢,应该是D*V,D为占空比,那么如果D很大的话,驱动电压就会变得很小,如下图,D=0.9
从上面可以看到,在驱动工作的时候,其实C1上面始终有一个电压存在,电压平均值为V*D,也就是说这个电容存储着一定的能量。那么这个能量的存在,会带来什么问题呢?
下面模拟驱动突然掉电的情况:
那么如何来降低这个震荡呢,在GS上并个电阻,下图是并了1K电阻之后波形:
如何传递大占空比的驱动:
看一个简单的驱动电路。
同样,这个电路在驱动掉电的时候,比如关机,也会出现震荡。
下面尝试降低这个震荡,首先把R5改为1K
对于这个问题如何解决呢?可以采用soft stop的方式来关机。soft stop其实就是soft start的反过程,就是在关机的时候,让驱动占空比从大往小变化,直到关机。很多IC已经集成了该功能。
对于半桥,全桥的驱动,由于具有两相驱动,而且相位差为180度,那么如何用隔离变压器来驱动呢?
下图,是两个驱动源的波形:
波形如下图:
ISL21XX驱动桥式电路示意图:
自举电容主要在于其大小,该电容在充电之后,就要对MOS的结电容充电,如果驱动电路上有其他功耗器件,也是该电容供电的。所以要求该电容足够大,在提供电荷之后,电容上的电压下跌最好不要超过原先值的10%,这样才能保证驱动电压。但是也不用太大,太大的电容会导致二极管在充电的时候,冲击电流过大。
对于二极管,由于平均电流不会太大,只要保证是快速二极管。当然,当自举电压比较低的时候,这个二极管的正向压降,尽量选小的。
电容没什么,磁片电容,几百n就可以了。但是二极管,要超快的,而且耐压要够。电流不用太大,1A足够。
隔离驱动。当控制和MOS处于电气隔离状态下,自举驱动就无法胜任了,那么就需要隔离驱动了。下面来讨论隔离驱动中最常用的,变压器隔离驱动。
看个最简单的隔离驱动电路,被驱动的对象是Q1。
%%%%%%%%%%21
其实MOS只是作为开关管,需要注意的是电机是感性器件,还有电机启动时候的冲击电流。还有堵转时候的的启动电流。驱动源参数为12V ,100KHz, D=0.5。
驱动变压器电感量为200uH,匝比为1:1。
%%%%%%%%%%22
红色波形为驱动源V1的输出,绿色为Q1的G级波形。可以看到,Q1-G的波形为具有正负电压的方波,幅值6V了。为什么驱动电压会下降呢,是因为V1的电压直流分量,完全被C1阻挡了。所以C1也称为隔直电容。
下图为C1上的电压。
%%%%%%%%%%23
其平均电压为6V,但是峰峰值,却有2V,显然C1不够大,导致驱动信号最终不够平。那么把C1变为470n。Q1-G的电压波形就变成如下:%%%%%%%%%%24
驱动电压变得平缓了些。如果把驱动变压器的电感量增加到500uH。驱动信号就如下图:%%%%%%%%%%25
驱动信号显得更为平缓。从这里可以看到,这种驱动,有个明显的特点,就是驱动电平,最终到达MOS的时候,电压幅度减小了,具体减小多少呢,应该是D*V,D为占空比,那么如果D很大的话,驱动电压就会变得很小,如下图,D=0.9
%%%%%%%%%%26
发现驱动到达MOS的时候,正压不到2V了。显然这种驱动不适合占空比大的情况。从上面可以看到,在驱动工作的时候,其实C1上面始终有一个电压存在,电压平均值为V*D,也就是说这个电容存储着一定的能量。那么这个能量的存在,会带来什么问题呢?
下面模拟驱动突然掉电的情况:
%%%%%%%%%%27
可见,在驱动突然关掉之后,C1上的能量,会引起驱动变的电感,C1以及mos的结电容之间的谐振。如果这个谐振电压足够高的话,就会触发MOS,对可靠性带来危害。那么如何来降低这个震荡呢,在GS上并个电阻,下图是并了1K电阻之后波形:
%%%%%%%%%%28
但是这个电阻会给驱动带来额外的损耗。如何传递大占空比的驱动:
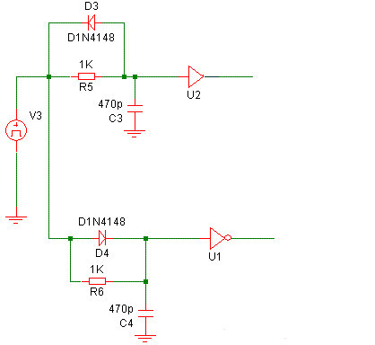
看一个简单的驱动电路。
%%%%%%%%%%29
当D=0.9的时候%%%%%%%%%%30
红色波形为驱动源输出,绿色为到达MOS的波形。基本保持了驱动源的波形。同样,这个电路在驱动掉电的时候,比如关机,也会出现震荡。
%%%%%%%%%%31
而且似乎这个问题比上面的电路还严重。下面尝试降低这个震荡,首先把R5改为1K
%%%%%%%%%%32
确实有改善,但问题还是严重,继续在C2上并一个1K的电阻。%%%%%%%%%%33
绿色的波形,确实更改善了一些,但是问题还是存在。这是个可靠性的隐患。对于这个问题如何解决呢?可以采用soft stop的方式来关机。soft stop其实就是soft start的反过程,就是在关机的时候,让驱动占空比从大往小变化,直到关机。很多IC已经集成了该功能。
对于半桥,全桥的驱动,由于具有两相驱动,而且相位差为180度,那么如何用隔离变压器来驱动呢?
下图,是两个驱动源的波形:
波形如下图:
来源:电子工程网
MOSFET 开关电源 电压 电路 仿真 电阻 PWM 电流 电感 电容 PCB 二极管 Intersil 变压器 电子 相关文章:
- 电源设计小贴士 1:为您的电源选择正确的工作频率(12-25)
- 超低静态电流电源管理IC延长便携应用工作时间(04-14)
- 电源SOC:或许好用的“疯狂”创意(07-24)
- 过压保护及瞬态电压抑制电路设计(04-03)
- 用于低成本高效率离线LED驱动器的初级端调节技术(05-14)
- 隔离式MOSFET驱动器集成电路的功率效率在轻负载时得到改善(07-31)
