多电平变频器无速度传感器直接转矩控制的研究
时间:12-07
来源:互联网
点击:
1 引言
中高压大容量电机的变频调速改造是国家节能减排工作的重点。中高压变频器的主功率电路普遍采用多电平逆变器拓扑,以达到降低功率器件的耐压等级、减小dv/dt、改善谐波等效果。其中,H桥级联型结构的多电平逆变器在中高压电机的变频调速领域技术最为成熟,应用最为广泛。
目前,中高压变频器的产品中,电机调速控制策略多采用V/F控制或矢量控制(又称磁场定向控制),而直接转矩控制(Direct Torque Control,简称DTC)方面的研究与应用较少,实现难度较大。主要原因之一在于多电平拓扑的开关管数目众多,造成传统DTC所需要的开关向量表非常复杂。另外,传统DTC采用滞环比较器,逆变器开关频率不固定,难以数字实现,生成多电平波形较为困难,电流、转矩脉动较大。
实现DTC等高性能调速策略需要检测电机的转速,但速度传感器的安装增加了系统的复杂性、成本和维护要求,降低了可靠性和鲁棒性。
本文针对级联多电平的特点,将错时采样空间矢量调制法和无速度传感器技术引入到级联多电平直接转矩控制中,解决了传统DTC应用在多电平领域所存在的开关向量表复杂、波形质量不好、转矩脉动大等问题,具有直流电压利用率高、功率单元使用均衡、谐波含量好、方法简单、易于数字实现等优点。利用Matlab/Simulink对这一方法进行了仿真验证。
2 多电平直接转矩控制的难点
传统的直接转矩控制采用磁链与转矩的砰—砰控制,根据它们的变化与定子磁链所在的空间位置直接选择电压空间矢量的开关状态,获得快速的转矩响应。但是其实际转矩在滞环比较器的上下限内脉动,开关频率也不固定。一种改进方案是将空间矢量调制(SVM)方法与DTC相组合,对转矩进行闭环PI调节,以电压空间矢量调制模块取代开关向量表,产生PWM波控制逆变器的开关状态,可使开关频率恒定,转矩脉动也大幅减小。
然而,在多电平领域,逆变器的基本空间矢量数目众多,对于每相n个H桥级联单元即 级级联的多电平逆变器,其基本空间矢量数目为(2n+1) 3个。每相3单元的高压变频器基本空间矢量多达343个,而对于每相6单元的高压变频器,这个数目达到了2197个。如此繁多的基本空间矢量使空间矢量选择算法变得非常复杂。另外,空间矢量的选择要考虑功率单元的开关负荷均衡,这就对算法提出了更高的要求。因此,在电平数较多的情况下,空间矢量算法实现困难,也难以满足实时控制的要求。
为克服上述问题,在级联多电平中采用错时采样空间矢量调制(Sampe-Time-Staggered Space Vector Modulation,简称STS-SVM)策略,能大大降低空间矢量选择的复杂度,并且能够实现开关负荷的自动均衡,执行效率高,易于实现无速度传感器DTC等高性能实时控制。
3 错时采样SVM策略
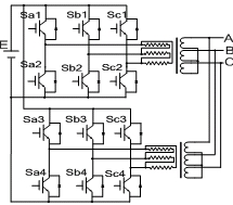
错时采样空间矢量法最早是应用在如图1所示的组合变流器结构,此变流器由N个3相6开关管的逆变器单元组成,输出通过变压器耦合。STS-SVM的基本思想是在每个变流器单元中按照传统两电平空间矢量的方法进行参考电压的采样,采样周期为Ts,将相邻单元的采样时刻错开Ts/N。这样,系统等效的基本空间矢量数目大大增加,得到的输出电压具有多电平的形式,相电压电平数为2N+1。

图1 组合变流器拓扑
组合变流器与3相H桥级联型多电平逆变器在拓扑上具有转换等效关系。将图2(a)中的两级多电平变流器经变换后可等效为图2(b)中的一级3相H桥结构,等效的开关管在两幅图中以相同的编号表示,即一级H桥中左桥臂的开关管和右桥臂的开关管可分别等效为多电平变流器的两个3相6桥臂单元。这样就可将STS-SVM调制法用于一级3相H桥。具体方法是用STS-SVM方法得出图2(a)中的开关管的驱动信号,去驱动图2(b)中相同编号的开关管。由于两级变流器中N=2,因此两个单元的采样时刻错开Ts/2。转化到图2(b)中,相当于对一级3相H桥逆变器左桥臂的6个开关管和右桥臂的6个开关管分别进行相同的幅度和频率调制比下的两电平空间矢量调制,并且要使两者参考电压的采样时刻错开Ts/2。

(a)两级多电平变流器

(b) 一级三相H桥逆变器
图2 两级组合变流器与一级三相H桥逆变器的等效关系
根据上述思想进行扩展,对于n级H桥级联的逆变器,可以等价为2n个单元的组合变流器,相邻的两级H桥单元同一侧桥臂的采样时 刻应相互错开Ts/2n。
由上述分析可以得到在n级H桥级联型逆变器中应用错时采样调制策略的实现方法。只要根据传统两电平空间矢量算法得出某一级H桥中三个同侧桥臂的驱动信号,系统中其它各开关管的驱动信号即可通过相应的延时得到。两电平空间矢量算法在主控制器中进行,延时可通过在主控制器外增加硬件单元来实现。这样就大大减轻了主控制器的负担,能够适应快速实时控制的要求。
STS-SVM中,系统总体输出电压矢量的安排是自动完成的,由两电平空间矢量算法得出的各个桥臂触发波形自身具有对称性和均衡性,因此总体开关负荷也是均衡的。
中高压大容量电机的变频调速改造是国家节能减排工作的重点。中高压变频器的主功率电路普遍采用多电平逆变器拓扑,以达到降低功率器件的耐压等级、减小dv/dt、改善谐波等效果。其中,H桥级联型结构的多电平逆变器在中高压电机的变频调速领域技术最为成熟,应用最为广泛。
目前,中高压变频器的产品中,电机调速控制策略多采用V/F控制或矢量控制(又称磁场定向控制),而直接转矩控制(Direct Torque Control,简称DTC)方面的研究与应用较少,实现难度较大。主要原因之一在于多电平拓扑的开关管数目众多,造成传统DTC所需要的开关向量表非常复杂。另外,传统DTC采用滞环比较器,逆变器开关频率不固定,难以数字实现,生成多电平波形较为困难,电流、转矩脉动较大。
实现DTC等高性能调速策略需要检测电机的转速,但速度传感器的安装增加了系统的复杂性、成本和维护要求,降低了可靠性和鲁棒性。
本文针对级联多电平的特点,将错时采样空间矢量调制法和无速度传感器技术引入到级联多电平直接转矩控制中,解决了传统DTC应用在多电平领域所存在的开关向量表复杂、波形质量不好、转矩脉动大等问题,具有直流电压利用率高、功率单元使用均衡、谐波含量好、方法简单、易于数字实现等优点。利用Matlab/Simulink对这一方法进行了仿真验证。
2 多电平直接转矩控制的难点
传统的直接转矩控制采用磁链与转矩的砰—砰控制,根据它们的变化与定子磁链所在的空间位置直接选择电压空间矢量的开关状态,获得快速的转矩响应。但是其实际转矩在滞环比较器的上下限内脉动,开关频率也不固定。一种改进方案是将空间矢量调制(SVM)方法与DTC相组合,对转矩进行闭环PI调节,以电压空间矢量调制模块取代开关向量表,产生PWM波控制逆变器的开关状态,可使开关频率恒定,转矩脉动也大幅减小。
然而,在多电平领域,逆变器的基本空间矢量数目众多,对于每相n个H桥级联单元即 级级联的多电平逆变器,其基本空间矢量数目为(2n+1) 3个。每相3单元的高压变频器基本空间矢量多达343个,而对于每相6单元的高压变频器,这个数目达到了2197个。如此繁多的基本空间矢量使空间矢量选择算法变得非常复杂。另外,空间矢量的选择要考虑功率单元的开关负荷均衡,这就对算法提出了更高的要求。因此,在电平数较多的情况下,空间矢量算法实现困难,也难以满足实时控制的要求。
为克服上述问题,在级联多电平中采用错时采样空间矢量调制(Sampe-Time-Staggered Space Vector Modulation,简称STS-SVM)策略,能大大降低空间矢量选择的复杂度,并且能够实现开关负荷的自动均衡,执行效率高,易于实现无速度传感器DTC等高性能实时控制。
3 错时采样SVM策略
错时采样空间矢量法最早是应用在如图1所示的组合变流器结构,此变流器由N个3相6开关管的逆变器单元组成,输出通过变压器耦合。STS-SVM的基本思想是在每个变流器单元中按照传统两电平空间矢量的方法进行参考电压的采样,采样周期为Ts,将相邻单元的采样时刻错开Ts/N。这样,系统等效的基本空间矢量数目大大增加,得到的输出电压具有多电平的形式,相电压电平数为2N+1。

图1 组合变流器拓扑
组合变流器与3相H桥级联型多电平逆变器在拓扑上具有转换等效关系。将图2(a)中的两级多电平变流器经变换后可等效为图2(b)中的一级3相H桥结构,等效的开关管在两幅图中以相同的编号表示,即一级H桥中左桥臂的开关管和右桥臂的开关管可分别等效为多电平变流器的两个3相6桥臂单元。这样就可将STS-SVM调制法用于一级3相H桥。具体方法是用STS-SVM方法得出图2(a)中的开关管的驱动信号,去驱动图2(b)中相同编号的开关管。由于两级变流器中N=2,因此两个单元的采样时刻错开Ts/2。转化到图2(b)中,相当于对一级3相H桥逆变器左桥臂的6个开关管和右桥臂的6个开关管分别进行相同的幅度和频率调制比下的两电平空间矢量调制,并且要使两者参考电压的采样时刻错开Ts/2。

(a)两级多电平变流器

(b) 一级三相H桥逆变器
图2 两级组合变流器与一级三相H桥逆变器的等效关系
根据上述思想进行扩展,对于n级H桥级联的逆变器,可以等价为2n个单元的组合变流器,相邻的两级H桥单元同一侧桥臂的采样时 刻应相互错开Ts/2n。
由上述分析可以得到在n级H桥级联型逆变器中应用错时采样调制策略的实现方法。只要根据传统两电平空间矢量算法得出某一级H桥中三个同侧桥臂的驱动信号,系统中其它各开关管的驱动信号即可通过相应的延时得到。两电平空间矢量算法在主控制器中进行,延时可通过在主控制器外增加硬件单元来实现。这样就大大减轻了主控制器的负担,能够适应快速实时控制的要求。
STS-SVM中,系统总体输出电压矢量的安排是自动完成的,由两电平空间矢量算法得出的各个桥臂触发波形自身具有对称性和均衡性,因此总体开关负荷也是均衡的。
电路 逆变器 比较器 电流 传感器 电压 仿真 PWM 变压器 电阻 电动机 电感 相关文章:
- 一种新型防伪读码器的设计(01-01)
- 基于ARM与DSP的嵌入式运动控制器设计(04-25)
- 航天器DC/DC变换器的可靠性设计(02-12)
- 基于ARM核的AT75C220及其在指纹识别系统中的应用(05-24)
- 基于nRF2401智能小区无线抄表系统集中器设计(04-30)
- 卫星电源分系统可靠性设计与研究(02-12)
