低成本电容式触摸屏技术推动系统设计创新
时间:12-07
来源:互联网
点击:
电容式触控技术在厨房设备中的应用已经有几年了,例如在烤箱和煎锅的不透明玻璃面板后面采用分离按键实现。这些触摸控制键逐渐替代了机械按键,因为后者具有使用寿命短、不够卫生等方面的问题,而且还有在面板上开孔安装按键的相关成本。

图1:“电荷转移”技术原理示意图。
电容式感应技术由于具有耐用、易于低成本实现等特点,而逐渐成为触摸控制的首选技术。此外,由于具有可扩展性,该技术还可以提供其它技术所不能实现的用户功能。在显示屏上以软按键方式提供用户界面,这通常被称为触摸屏。量研科技(Quantum Research)公司在触摸屏技术方面的发展为新设备的设计打开了大门,并将日益成为市场主流。 采用量研的电容式触摸感应技术可实现的设备用户输入功能和应用范围包括:按键数量较少(最多10个)的分离触摸按键应用,一般用作简单的开关功能按键,但也可以定制提供“手势”类的输入,例如滑动-打开功能以减少意外操作;针对多按键应用的矩阵触摸按键(最多48个),一般用在需要很多用户功能按键的应用中,也可以用于开发低分辨率的滚动功能器件;空间维度控制器件,如线性滑动键或转盘;用于增加/减少温度或时间设置,可以使用绝对器件(一次触摸来设置特定值),或者相对器件(感测手指的移动来增加或减少一个设置点);用于软按键的固定按键触摸屏;在显示器上提供透明的固定位置/尺寸按键。可以按透明/非透明按键组合形式实现,由一个芯片驱动;用于完全可重配置软按键的模拟触摸屏,显示屏上完全可重配置按键(大小和位置)报告x-y方向上的触摸位置,用于主控制器后续处理。

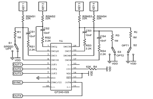
图2:使用QT240芯片的典型分离按键实现原理图。
本文将主要介绍电容式触摸屏的实现与应用,此外,还介绍了传统的电容式触摸功能。
1 技术背景
很多电容感应技术在不同程度上取得成功应用,量研科技的电容式感应技术是基于“电荷转移”技术。这种技术提供了非常高的鲁棒性,全数字感应非常适合厨房环境,因为它具有在背景噪声中辨识信号的优越辨识能力。这意味着即使对于非常厚的前面板,电荷转移感应技术的工作性能也非常好。
量研的矩阵芯片通过将电荷吸入到双电极按键的一个电极来工作(图1)。电荷弧产生的电场穿透上面的玻璃面板进入到接收电极,该电极将电荷传送到芯片。当接触玻璃面板的表面时,一部分电荷被人体吸收,导致信号强度降低。这样当出现人体接触时,芯片便能很容易地检测到。当人体接触时,水膜具有相反的效应,实际上增加了电极之间的耦合,这是因为水膜运动的方向与芯片能检测到的方向相反,因此在厨房环境中常常出现的水效应被抑制。

图3:搅拌机触摸表面的复合驱面效果
电荷转移的过程通过一种微处理控制的开关序列以一种突发的模式进行。扩频调制大大增加了信噪比,因而功率更低、响应时间更快以及EMC改善显著。采用这种技术可以轻易地达到100V/m的RFI容限。这些器件还不断地对在设备使用寿命内环境条件的改变进行补偿,使得它们即使在很高的温度和湿度变化下也能获得很高的可靠性。
量研在其面向设备的芯片中集成的一种额外功能,即连续的FMEA(故障模式和影响分析)感测及报告,在这里系统主处理器可以使用QMatrix芯片来自诊断整个传感器模块的开路或者短路情况。这个报告对整个系统的FMEA确认都是至关重要的。
2 基于量研电容式感应技术的触摸按键
在过去的几年时间内量研开发并完善了分离和矩阵按键芯片,为在设备前面板背面实现触摸按键提供了一种便利方法。当连接到QProx芯片时,介电材料背面上的任何导电材料都可以作为一个传感器按键。QProx板设计非常简单,通常是单面板,可以使用像CEM-1或者类似的低成本材料。采用单面板的实现方式通常是直接将板子粘合到前面板的背面-电极在PCB的反面,通过PCB、胶合层以及前面板进行感测。

图4:QWheel旋转触摸传感器电路布局。
在需要特定的用户效果时,可以采用更多有关的构造技术。一个较好的例子是Jenn-Air公司的Attrezzi搅拌器。这个搅拌器的模子内部装饰技术与一种导电墨一起使用来在曲面的背面提供一个感应层(图3)。登录www.qprox.com/background/blender_construction.php可以了解这种构造技术。
2.1 采用电容式感测技术实现滚动器件
触摸输入滚动/指示功能器件,例如iPod音乐播放器上的点击式转盘,这类器件在消费市场已经获得广泛的认可,正在逐渐出现在消费设备市场。有两种基本类型的滚动器件:第一种是绝对报告类型,提供直接位置输出报告;另外一种是相对类型,这类器件提供用来增加或减少某个值的直接报告。
量研开发出这两类滚动器件,用于设置时间(图5)及温度等。
最近,电容式电荷转移技术再次被用来提供滚动器件的信号采集方案。对于绝对器件,滚动键被做成直线型或者圆形,或者任意其他形状,这种形状由阻抗传感器元件定义,采用三端连接(像直线或弧形这种非封闭形状可以看成是切开的圆形,圆的两端作为公共电极)。阻抗元件可以是连接到PCB上焊盘的串联电阻,或者采用透明塑料(PET)阻性印制线上的ITO以透明形式实现。相对报告器件使用重复的按键带,通过测量触摸顺序来确定和报告方向。

图1:“电荷转移”技术原理示意图。
电容式感应技术由于具有耐用、易于低成本实现等特点,而逐渐成为触摸控制的首选技术。此外,由于具有可扩展性,该技术还可以提供其它技术所不能实现的用户功能。在显示屏上以软按键方式提供用户界面,这通常被称为触摸屏。量研科技(Quantum Research)公司在触摸屏技术方面的发展为新设备的设计打开了大门,并将日益成为市场主流。 采用量研的电容式触摸感应技术可实现的设备用户输入功能和应用范围包括:按键数量较少(最多10个)的分离触摸按键应用,一般用作简单的开关功能按键,但也可以定制提供“手势”类的输入,例如滑动-打开功能以减少意外操作;针对多按键应用的矩阵触摸按键(最多48个),一般用在需要很多用户功能按键的应用中,也可以用于开发低分辨率的滚动功能器件;空间维度控制器件,如线性滑动键或转盘;用于增加/减少温度或时间设置,可以使用绝对器件(一次触摸来设置特定值),或者相对器件(感测手指的移动来增加或减少一个设置点);用于软按键的固定按键触摸屏;在显示器上提供透明的固定位置/尺寸按键。可以按透明/非透明按键组合形式实现,由一个芯片驱动;用于完全可重配置软按键的模拟触摸屏,显示屏上完全可重配置按键(大小和位置)报告x-y方向上的触摸位置,用于主控制器后续处理。

图2:使用QT240芯片的典型分离按键实现原理图。
本文将主要介绍电容式触摸屏的实现与应用,此外,还介绍了传统的电容式触摸功能。
1 技术背景
很多电容感应技术在不同程度上取得成功应用,量研科技的电容式感应技术是基于“电荷转移”技术。这种技术提供了非常高的鲁棒性,全数字感应非常适合厨房环境,因为它具有在背景噪声中辨识信号的优越辨识能力。这意味着即使对于非常厚的前面板,电荷转移感应技术的工作性能也非常好。
量研的矩阵芯片通过将电荷吸入到双电极按键的一个电极来工作(图1)。电荷弧产生的电场穿透上面的玻璃面板进入到接收电极,该电极将电荷传送到芯片。当接触玻璃面板的表面时,一部分电荷被人体吸收,导致信号强度降低。这样当出现人体接触时,芯片便能很容易地检测到。当人体接触时,水膜具有相反的效应,实际上增加了电极之间的耦合,这是因为水膜运动的方向与芯片能检测到的方向相反,因此在厨房环境中常常出现的水效应被抑制。

图3:搅拌机触摸表面的复合驱面效果
电荷转移的过程通过一种微处理控制的开关序列以一种突发的模式进行。扩频调制大大增加了信噪比,因而功率更低、响应时间更快以及EMC改善显著。采用这种技术可以轻易地达到100V/m的RFI容限。这些器件还不断地对在设备使用寿命内环境条件的改变进行补偿,使得它们即使在很高的温度和湿度变化下也能获得很高的可靠性。
量研在其面向设备的芯片中集成的一种额外功能,即连续的FMEA(故障模式和影响分析)感测及报告,在这里系统主处理器可以使用QMatrix芯片来自诊断整个传感器模块的开路或者短路情况。这个报告对整个系统的FMEA确认都是至关重要的。
2 基于量研电容式感应技术的触摸按键
在过去的几年时间内量研开发并完善了分离和矩阵按键芯片,为在设备前面板背面实现触摸按键提供了一种便利方法。当连接到QProx芯片时,介电材料背面上的任何导电材料都可以作为一个传感器按键。QProx板设计非常简单,通常是单面板,可以使用像CEM-1或者类似的低成本材料。采用单面板的实现方式通常是直接将板子粘合到前面板的背面-电极在PCB的反面,通过PCB、胶合层以及前面板进行感测。

图4:QWheel旋转触摸传感器电路布局。
在需要特定的用户效果时,可以采用更多有关的构造技术。一个较好的例子是Jenn-Air公司的Attrezzi搅拌器。这个搅拌器的模子内部装饰技术与一种导电墨一起使用来在曲面的背面提供一个感应层(图3)。登录www.qprox.com/background/blender_construction.php可以了解这种构造技术。
2.1 采用电容式感测技术实现滚动器件
触摸输入滚动/指示功能器件,例如iPod音乐播放器上的点击式转盘,这类器件在消费市场已经获得广泛的认可,正在逐渐出现在消费设备市场。有两种基本类型的滚动器件:第一种是绝对报告类型,提供直接位置输出报告;另外一种是相对类型,这类器件提供用来增加或减少某个值的直接报告。
量研开发出这两类滚动器件,用于设置时间(图5)及温度等。
最近,电容式电荷转移技术再次被用来提供滚动器件的信号采集方案。对于绝对器件,滚动键被做成直线型或者圆形,或者任意其他形状,这种形状由阻抗传感器元件定义,采用三端连接(像直线或弧形这种非封闭形状可以看成是切开的圆形,圆的两端作为公共电极)。阻抗元件可以是连接到PCB上焊盘的串联电阻,或者采用透明塑料(PET)阻性印制线上的ITO以透明形式实现。相对报告器件使用重复的按键带,通过测量触摸顺序来确定和报告方向。
电容 触摸屏 显示器 EMC 传感器 PCB 电路 电阻 电子 LCD 相关文章:
- 航天器DC/DC变换器的可靠性设计(02-12)
- 基于ARM核的AT75C220及其在指纹识别系统中的应用(05-24)
- 基于nRF2401智能小区无线抄表系统集中器设计(04-30)
- 卫星电源分系统可靠性设计与研究(02-12)
- 采用信号调理IC驱动应变片电桥传感器(05-26)
- 基于nRF2401智能无线火灾监控系统设计(04-01)
