MSM7512B在公用电话网数据传输中的应用
时间:07-30
来源:互联网
点击:
便携式仪器通常使用调制解调器来实现数据的远距离传输,受条件所限,便携式仪器所使用的调制解调器要求具有功耗低、温度适应范围宽、外部元件少、供电简单等特点。本文介绍OKI公司设计制造的1200波特率的调制解调器MSM7512B系列器件。该芯片可以通过使用移频键控调制的工作方式(Frequency Shift Keyed)在一个电话网络上发送和接收连续的二进制数据,并在片内完成连续的异步通信所需的调制、解调和滤波。内部集成电路的设计确保可与低速调制解调器和耦合器相兼容,所有数据接口与TTL电平相兼容。该芯片主要用于低成本的嵌入式调制解调器、远程控制系统及家庭安全防范等场合。

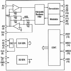
图1 内部结构框图
引脚说明
MSM7512B有四种工作模式,其工作模式的选择是由MOD1和MOD2的不同信号组合决定的,具体见表1。

表1 工作模式信号组合
MSM7512B的基本特性
采用FSK调制解调方式,价格低廉;
MSM7512B符合V.23标准,半双工工作方式;
低功耗:工作模式-典型值25mW;掉电模式-最大值0.1mW;
数据传输率:0"1200波特率;
片上具有调制器、解调器和带通滤波器;
具有可用于自检的模拟回路;
3.579545MHz晶体振荡电路;
电源范围:+3V"+5V;
多种封装形式
基本原理
如图1所示,该芯片主要由发送电路、接收电路、载波检测电路、定时器时钟电路组成,下面分别介绍各个模块电路的工作原理。
发送电路
发送电路包括调制器,发送滤波器和发送放大器。要发送的二进制数据信号首先从XD端进入调制器,调制器实际上是一个可控的频率合成器,经3.579545MHz时钟分频产生所需的频率。然后根据输入的数据和调制解调器所处的工作状态形成FSK信号送入发送滤波器以及滤除信号的高频分量和杂波。由发送滤波器输出的信号经过发送放大器后,变成幅度不随电源电压变化的FSK信号输出到线路。
接收电路
接收电路包括AGC放大器、接收滤波器、限幅器、解调滤波器、解调器和比较器组成。从线路接收的FSK信号首先通过AGC放大器,输出为稳定的FSK信号。该信号通过接收滤波器滤除多余的频率成分,再通过限幅器变换成方波信号,该信号通过解调器和比较器的处理,最后形成解调数据在RD端输出。
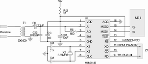
图2 MSM7512B调制解调器与微处理器的接口及公用电话网接口
图3 恒流源假负载及极性转换电路
载波检测电路
载波检测电路包括能量检测电路和数字延迟组成。能量检测器将接收滤波器的输出电平与通过EAI端由片外设置的门限电平相比较,从而检出载波信号。为防止输出振荡,检测电路具有2.5dB的滞后特性。数字延迟电路是为防止载波信号瞬间突然消失而设计的。
定时器时钟电路
定时器时钟电路包括振荡器和产生时钟信号的逻辑电路组成,时间基准信号可以由3.579545MHz的晶体或外部时钟信号输入,经定时器时钟逻辑电路分频,为系统提供1300Hz或外部时钟信号输出。当XD=1时,AO端的发送信号频率为1300Hz;当XD=0时,AO端的发送信号频率为2100Hz。
MSM7512B在公用电话网数据传输中的应用
利用MSM7512B调制解调器可以通过专用双线制的网络进行数据传输,也可以通过公用电话网进行数据传输,甚至不需要外部控制器,利用它可以设计出高效率、高性能、低费用的网络解决方案,广泛应用于数据传输、信用卡验证系统、POS终端、远程控制系统、个人数据链接等许多方面。
在图2中给出了MSM7512B调制解调器与微处理器的接口方式以及通过公用电话网进行数据传输的接口电路。MSM7512B的工作模式控制信号MOD1、MOD2都是TTL电平,可以与微处理器直接相接,通过微处理器的软件控制调制解调器发送或接收状态。如果通过MAX232等RS-232接口集成电路将TTL电平转换成RS-232电平,也可以使计算机利用低成本的接口电路进行远距离数据传输。
如果利用专用双线制的网络进行数据传输,MSM7512B调制解调器的RD和XD可以与网络直接连接。
只需要加少量的外围器件就可以利用MSM7512B调制解调器通过公用电话网进行数据传输。MSM7512B调制解调器通过一个阻抗变换器与公用电话网连接,该阻抗变换器为600:600的音频变压器。
为了提高信号传输的稳定性和可靠性,通过MSM7512B调制解调器处理后的音频信号在传输之前,将其叠加在直流电压上,由于传输线上直流电压的存在,可以提高音频信号的抗干扰能力,传输更远的距离。同时,为了使公用电话网识别“摘机信号”的存在,设计恒流源供电电路成为用户端口的一个固定假负载。设计极性转换电路,方便用户在使用中的信号接入。在图3中给出了极性转换电路和恒流源假负载的电路原理图,以供大家在设计时参考。

图1 内部结构框图
引脚说明
MSM7512B有四种工作模式,其工作模式的选择是由MOD1和MOD2的不同信号组合决定的,具体见表1。

表1 工作模式信号组合
MSM7512B的基本特性
采用FSK调制解调方式,价格低廉;
MSM7512B符合V.23标准,半双工工作方式;
低功耗:工作模式-典型值25mW;掉电模式-最大值0.1mW;
数据传输率:0"1200波特率;
片上具有调制器、解调器和带通滤波器;
具有可用于自检的模拟回路;
3.579545MHz晶体振荡电路;
电源范围:+3V"+5V;
多种封装形式
基本原理
如图1所示,该芯片主要由发送电路、接收电路、载波检测电路、定时器时钟电路组成,下面分别介绍各个模块电路的工作原理。
发送电路
发送电路包括调制器,发送滤波器和发送放大器。要发送的二进制数据信号首先从XD端进入调制器,调制器实际上是一个可控的频率合成器,经3.579545MHz时钟分频产生所需的频率。然后根据输入的数据和调制解调器所处的工作状态形成FSK信号送入发送滤波器以及滤除信号的高频分量和杂波。由发送滤波器输出的信号经过发送放大器后,变成幅度不随电源电压变化的FSK信号输出到线路。
接收电路
接收电路包括AGC放大器、接收滤波器、限幅器、解调滤波器、解调器和比较器组成。从线路接收的FSK信号首先通过AGC放大器,输出为稳定的FSK信号。该信号通过接收滤波器滤除多余的频率成分,再通过限幅器变换成方波信号,该信号通过解调器和比较器的处理,最后形成解调数据在RD端输出。
图2 MSM7512B调制解调器与微处理器的接口及公用电话网接口
图3 恒流源假负载及极性转换电路
载波检测电路
载波检测电路包括能量检测电路和数字延迟组成。能量检测器将接收滤波器的输出电平与通过EAI端由片外设置的门限电平相比较,从而检出载波信号。为防止输出振荡,检测电路具有2.5dB的滞后特性。数字延迟电路是为防止载波信号瞬间突然消失而设计的。
定时器时钟电路
定时器时钟电路包括振荡器和产生时钟信号的逻辑电路组成,时间基准信号可以由3.579545MHz的晶体或外部时钟信号输入,经定时器时钟逻辑电路分频,为系统提供1300Hz或外部时钟信号输出。当XD=1时,AO端的发送信号频率为1300Hz;当XD=0时,AO端的发送信号频率为2100Hz。
MSM7512B在公用电话网数据传输中的应用
利用MSM7512B调制解调器可以通过专用双线制的网络进行数据传输,也可以通过公用电话网进行数据传输,甚至不需要外部控制器,利用它可以设计出高效率、高性能、低费用的网络解决方案,广泛应用于数据传输、信用卡验证系统、POS终端、远程控制系统、个人数据链接等许多方面。
在图2中给出了MSM7512B调制解调器与微处理器的接口方式以及通过公用电话网进行数据传输的接口电路。MSM7512B的工作模式控制信号MOD1、MOD2都是TTL电平,可以与微处理器直接相接,通过微处理器的软件控制调制解调器发送或接收状态。如果通过MAX232等RS-232接口集成电路将TTL电平转换成RS-232电平,也可以使计算机利用低成本的接口电路进行远距离数据传输。
如果利用专用双线制的网络进行数据传输,MSM7512B调制解调器的RD和XD可以与网络直接连接。
只需要加少量的外围器件就可以利用MSM7512B调制解调器通过公用电话网进行数据传输。MSM7512B调制解调器通过一个阻抗变换器与公用电话网连接,该阻抗变换器为600:600的音频变压器。
为了提高信号传输的稳定性和可靠性,通过MSM7512B调制解调器处理后的音频信号在传输之前,将其叠加在直流电压上,由于传输线上直流电压的存在,可以提高音频信号的抗干扰能力,传输更远的距离。同时,为了使公用电话网识别“摘机信号”的存在,设计恒流源供电电路成为用户端口的一个固定假负载。设计极性转换电路,方便用户在使用中的信号接入。在图3中给出了极性转换电路和恒流源假负载的电路原理图,以供大家在设计时参考。
集成电路 嵌入式 滤波器 电路 放大器 电压 比较器 振荡器 变压器 相关文章:
- 高性能、高集成度的TD-SCDMA模拟基带集成电路的实现和应用(01-09)
- Vitesse芯片组提升高密度40G/100G光学系统性能(02-25)
- 无线设备中CMOS频率源的应用趋势(05-08)
- 光互连技术(12-29)
- 利用串行RapidIO交换机设计模块化无线基础系统(03-12)
- 基于FPGA的USB接口IP核设计(03-13)
