一款基于完整数据采集系统的设计方案
这个完整传感器数据采集解决方案占用的电路板空间仅为分立方案的三分之一,有助于工程师简化设计,同时减小高级工业数据采集系统的尺寸,缩短产品面市时间,节省成本。它使得我们无需对输入信号进行缓冲、电平转换、放大、衰减或其他调理,也消除了我们对共模抑制、噪声和建立时间的担忧,还解决了与设计高精度16位1 MSPS数据采集系统相关的诸多难题。它可在1 MSPS速率下(典型 SNR为91 dB)提供同类最佳的16位精度(典型INL为±0.6 LSB)、低失调电压、低温度漂移和优化噪声性能,如图4所示。该器件的额定温度范围为-40°C至+85°C工业温度范围。

图4. ADAS3022的INL和FFT性能
PGIA具有很大的共模输入范围、真正的高阻抗输入(>500 MΩ)和宽动态范围,这使得它能够处理4 mA至20 mA的环路电流,精确测量小传感器信号,抑制交流电力线、电机和其他来源的干扰(90 dB的最小CMR)。
辅助差分输入通道可处理±4.096 V输入信号。它旁路多路复用器和PGIA级,允许与16位SAR ADC直接接口。片内温度传感器可以监控本地温度。
这种高集成度可以节省电路板空间,降低整体部件成本,使得ADAS3022非常适合空间受限的应用,例如自动测试设备、电力线监控、工业自动化、过程控制、病人监护以及其他工业和仪表系统,它们都采用±10 V的工业信号电平工作。

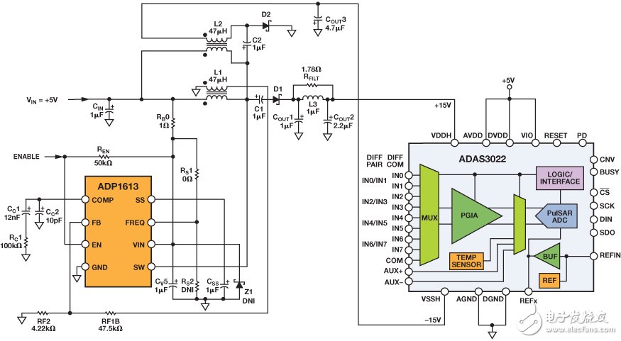
图5. 采用集成PGA的完整5 V、单电源、8通道数据采集解决方案
图5显示完整的8通道数据采集系统(DAS)。ADAS3022采用±15 V和+5 V模拟和数字电源,以及1.8V至5V逻辑I/O电源。高效率、低纹波DC-DC升压转换器 ADP1613使得DAS能够采用5 V单电源工作。ADP1613使用 ADIsimPower™设计工具配置为单端初级塬边电感(SEPIC)拓扑,提供多路复用器和PGIA所需的±15 V双极性电源,而不会影响性能。
表1对ADAS3022和分立信号链的噪声性能进行了比较,并利用每个元件的输入信号幅度、增益、等效噪声带宽(ENBW)和折合到输入端的(RTI)噪声,计算整个信号链的总噪声。
表1. ADAS3022和分立信号链的噪声性能

AD8475和AD7982(图2)之间的单极点低通滤波器(LPF)可以衰减来自AD7982的开关电容输入的反冲,限制高频噪声量。LPF的-3 dB带宽(f-3dB) 为6.1 MHz(R = 20 Ω,C = 1.3 nF),在1 MSPS速率下进行转换时,可快速建立输入信号。LPF的ENBW计算方法为:
ENBW = π/2 × f-3dB = 9.6 MHz
请注意,此计算方法忽略了来自基准电压源和LPF的噪声,因为它不会对主要由PGIA决定的总噪声产生很大影响。
以使用±5 V输入范围为例。在此情况下,AD8251的增益设置为2.漏斗放大器设置的固定增益为0.4,适用于所有四种输入范围。因此AD7982要处理0.5V 至4.5V的差分信号(4 V p-p)。ADG1208的RTI噪声从Johnson/Nyquist噪声公式得出:en2 = 4KBTRON, 其中KB = 1.38 × 10 23 J/K, T = 300K, and RON = 270 Ω。
AD8251的RTI噪声由数据手册中增益为2时的27 nV/√Hz噪声密度得出。同样,AD8475的RTI噪声也由10 nV/√Hz噪声密度得出,使用的增益为0.8 (2 × 0.4)。在这些计算中,ENBW = 9.6 MHz.AD7982的RTI噪声则根据数据手册中增益为0.8时的95.5 dB SNR计算得到。整个信号链的总RTI噪声根据分立元件的RTI噪声的方和根(rss)计算。89.5 dB的总SNR可通过公式SNR = 20 log(VINrms/RTITotal)计算。
虽然分立信号链的理论噪声估计值(SNR)和整体性能与ADAS3022相当,特别是在低增益(G = 1和G = 2)和低吞吐率(远低于1 MSPS)条件下,但它并非理想解决方案。与分立式解决方案相比,ADAS3022可以节省大约50%的成本和大约67%的电路板空间,它还可以接收其他三个输入范围(±0.64 V、±20.48 V、±24.576 V),这是分立式解决方案无法提供的。
结论
下一代工业PLC模块需要高精度、可靠运行和功能灵活性,所有这些特性都必须通过外形小巧的低成本产品提供。ADAS3022具有业界领先的集成度和性能,支持广泛的电压和电流输入,以便处理工业自动化和过程控制的各种传感器信号。ADAS3022是 PLC模拟输入模块和其他数据采集卡的理想之选,它使得工业制造商能够让他们的系统具有与众不同的特性,同时满足更加严苛的用户要求。
- 5V单电源8通道数据采集系统电路设计(10-04)
- 基于PCI-9846H的死区时间引起的电压波形畸变的研究(11-10)
- 基于FPGA的RS232异步串行口IP核设计(02-09)
- 一种多处理器数据采集系统方案(03-24)
- 基于USB2.0和DDR2的数据采集系统设计(03-19)
- 基于MSP430和USB的数据采集系统(04-14)
