基于AD2S83的角位置检测系统及其在电动助力转向系统中的应用
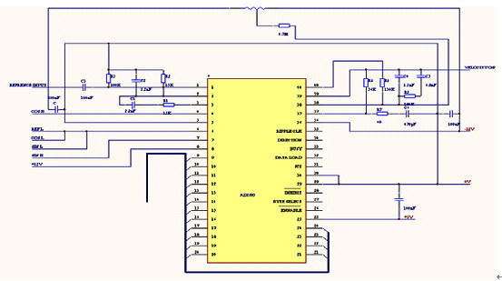
在具体实现该电路时应注意十Vs,-Vs 与 ANALOG GROUND 之间,+VL与DIGITAL GROUND之间要分别并联100uF(陶瓷)和lOuF(钽)的去耦电容,它们应尽量靠近AD2S83变换器放置,而且每个变换器都应有自己单独的去耦电容。旋变的两个信号接地端应连到变换器的SIGXAL GROUND管脚,以减少正、余弦信号间的耦合,另外,旋变的正、余弦信号以及参考信号最好分别使用双绞屏蔽线。
5.2 AD2S83与单片机的连接
下面介绍单片机对AD2S83 RDC的操作,在此之前先对AD2S83变换器的控制信号加以简单的说明:
输入:
信号只禁止可逆计数器向输出锁存器传送数据,并不打断跟踪环的工作,释放该信号将自动产生一个BUSY,并刷新输出锁存器。
输入:
信号决定了输出数据的状态,高电平时,输出数据管脚保持在高阻状态。低电平时,允许输出锁存器中的数据传送到输出管脚上。对
的操作不会影响变换器的工作。
BYTESELECT输入:无论该信号的状态如何当
为低电平时,低位字节就将出现在数据输出线DB9-DBl6上。当BYTE SELECT为高电平时.高8位字节将出现在数据输出线DBl-DB8上;当BYTE SELECT为低电平时,低8位字节将出现在数据输出线DBl-DB8上.它们同时也出现在DB9-DBl6上。
速度信号:速度信号是由积分器输出的与速度成正比的直流信号,在许多情况下可以使用该信号代替传统的测速发动机。
5.3单片机对AD2S83读取数据的过程:
首先对AD2S83施加
信号,阻止锁存器的刷新.当
被置为低电平并延迟600ns后数据有效.单片机对BYTE SELECT 操作,把
信号置为低电平后,即可读取数据。读完数据后,应立即释放
信号.把它置为高电平.以使输出锁存器能被刷新.该过程可以通过下面的时序图来表示:
6 结束语
本文介绍了AD2S83RDC集成电路的应用,并设计了由该集成电路和旋转变压器构成的EPS系统中位置检测系统,并已成功的应用到市科委在汽车学院的EPS项目当中。经实践表明,该系统具有误差小、实时性好、可靠性高、抗干扰能力强等优点。
- 英飞凌助力转向系统解决方案(02-13)
- 汽车电动助力转向系统的技术分析(02-19)
- 汽车电子控制转向技术的发展趋势(03-18)
