L99H01 :一个灵活的汽车直流电机电桥驱动器
直流电机在汽车应用领域十分常见,被广泛用于各种汽车系统,包括车门、后视镜、座椅和电泵。结构简单、成本低廉的特点使其成为汽车系统设计人员的首选解决方案。
直流电机有三个主要组件:产生磁场的定子、承载电机线圈的转子、向线圈传输电流的电刷。
将电源连至电机的两个接线端子后,电流将会流到转子线圈。如果线圈上的电流强度足以让电机和负载产生转矩,电机将会旋转。
电机通常采用PWM技术控制转速和转矩。此外,如果电机旋转方向在实际应用中必须变化,则必须改变电机两个端子上的电源电压。基于这些需求,采用四个开关按照要求将电源电压连到电机的两个接线端子上的H-桥是典型的双向直流电机控制解决方案。

图1:H桥配置。
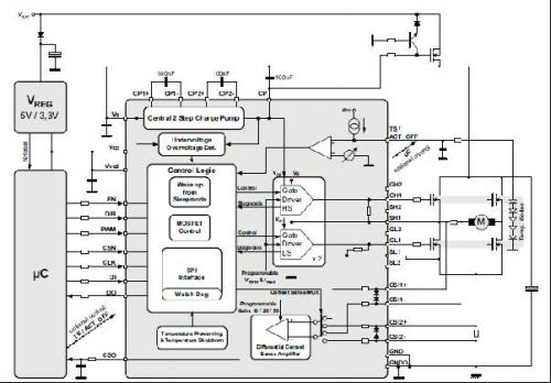
意法半导体的L99H01是一个汽车电机驱动器芯片,集成四个栅驱动器来控制H桥内的四个外部N沟道MOSFET管。结构简单,驱动灵活,使其适用于各种汽车系统。
通过驱动器内部SPI接口,外部微控制器可读取诊断信息,还可以设置驱动器的多个功能,满足实际应用需求。
驱动器内置一个两级电荷泵,这样设计有多个好处。以较低的输入电压驱动H桥外部MOSFET管,尽可能节省外部组件(只需三个电容),以100%占空比驱动电机。此外,电荷泵的输出电压还可用于驱动电池极性接反保护电路的附加MOSFET管。

图2:L99H01框图和应用示意图
因为电机在驱动电路内产生感性负载,为尽可能降低耗散功率,在应用PWM控制技术时,必须为电机电流设计正确的闭合回路。L99H01让设计人员尽可能灵活地选择续流回路策略。此外,通过正确选择续流回路,再配合一个外部微控制器,驱动器可以在实际应用中进行功能性安全测试。

图3:L99H01续流方法选择
通过使用L99H01内部的一个或两个电流检测放大器(CSA),可以测量流经H桥的电流。这些放大器有很多特别的地方。因为放大器输入接受高压,所以可在接地端、电源线或直接串联电机测量电流,让用户满足不同的需求和策略要求。此外,可通过SPI串口设置放大器的增益,为应用开发带来更高的灵活性。此外,还可对放大器执行失调校正,降低放大器本身失调对电流测量结果的负面影响。
内部看门狗定时器监视外部微控制器,提升应用层面的安全性。万一看门狗发现微控制器异常,L99H01则禁用内部MOSFET栅驱动器。
L99H01防范潜在危害性事件入侵驱动器和系统。该产品具有欠压保护以及可设置过压保护(通过SPI)功能。如果在电源端发现这些事件,则栅驱动器将被禁用,并通过SPI接口上报给微控制器。
假如电机的接线柱意外对地短路或对电源短路,L99H01则监视桥上每个被激活晶体管的漏源电压,以保护外部MOSFET管。如果漏源电压高于预设阈值且持续时间大于内部滤波时间,则驱动器关闭受影响的晶体管,并通过SPI串口上报事件。用户可按实际照应用情况(即MOSFET电阻和流经电桥的电流)调整电压检测阈值,通过SPI接口从四个数值中选择一个设为阈值。
当同一半桥内的高低边MOSFET换向时,在一个晶体管的关断与另一个晶体管的导通之间引入死时非常重要,否则,两支晶体管可能同时导通,引起从电源流向接地方向的逆流。 用户可通过SPI接口按照实际需求选择多个阈值。当开关同一桥臂上的晶体管时,L99H01自动启用可设置的死时。
作为一个深入保护机制,L99H01可检测内外部热事件,并做出相应的反应。该产品可检测内部过热初期状况,并通过SPI接口向外部微控制器报警。这样,微控制器可采取一些应对措施,以降低驱动器本身和系统的温度。假如芯片内部温度进一步上升,则芯片进入过热关断模式,禁用栅驱动器和电荷泵。
此外,外部温度传感器(如灯条)可连至 L99H01的专用输入端。当这个引脚上的电压降至阈值以下时,驱动器关闭栅驱动器,以保护电桥。按照当前应用设计的特性,用户可通过SPI选择阈压。值得一提的是,当施加外部数字信号时,这个输入可用于禁用栅驱动器。
L99H01采用两种经济型封装PowerSSO36 (散热盘外露)和LQFP32(全塑封装)。
- 三菱电机在PCIM 2011展上推介最新Smart-1系列IGBT模块(07-05)
- 日本开发不用稀土的电动汽车电机(08-29)
- 磁传感器的汽车电机市场将快速增长(11-23)
- 工业系统节能十二五规划提出提高节能机电产品设计、制造水平和加工能力(04-24)
- 半导体技术创新应用 家用电器低碳化技术(06-13)
- 新型高效电机试验电源在山东研制成功(08-10)
