规格书这个是什么意思
时间:10-02
整理:3721RD
点击:
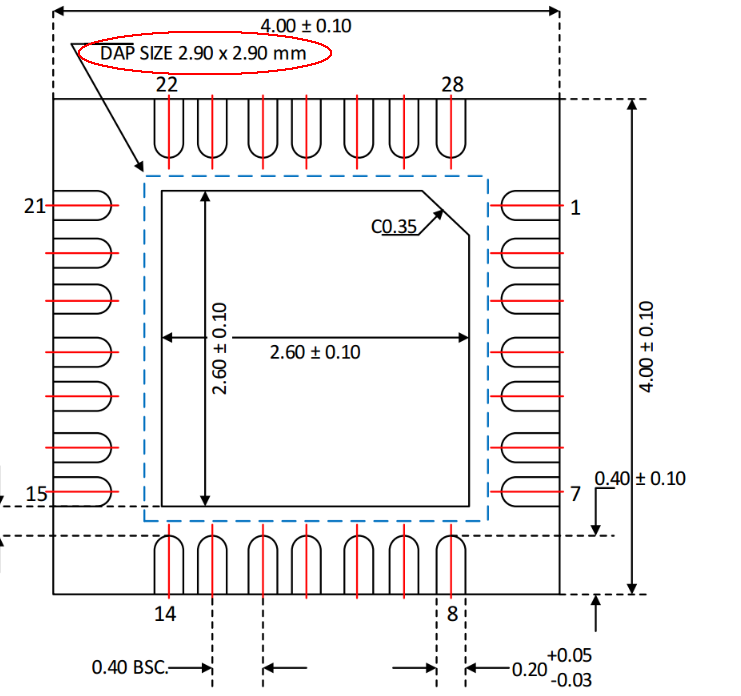
1.DAP SIZE是什么尺寸?
2.它这个是bottom view 意思是我做封装时候要把这图镜像来看?
2.它这个是bottom view 意思是我做封装时候要把这图镜像来看?

dap size是PCB上散热焊盘大小
c0.35代表边长是0.35的45度倒角
1.DAP size是散热焊盘尺寸
2.镜像来看
那里面5边形是 实际的散热焊盘大小,dap size是PCB上散热焊盘封装大小?
C0.35那个数据代表什么?
是的
楼上说的很清楚啦,倒角的边长
mark
为什么要做成一个倒角的? PCB封装是做成倒角还是正方形?
PCB封装热焊盘做成2.9X2.9的话 ,热焊盘到 引脚距离就只剩5mil了,这个会不会太近了?
PCB封装热焊盘要是做成2.9X2.9的话 ,热焊盘到 引脚距离就只剩5mil了,这个会不会太近了?
按推荐的来。
散热焊盘可以做小一点
散热焊盘可以缩小,面积≥2.6x2.6x0.9就行
那她这个推荐尺寸有什么意义。
