怎么清除已删死铜的外框?
时间:10-02
整理:3721RD
点击:
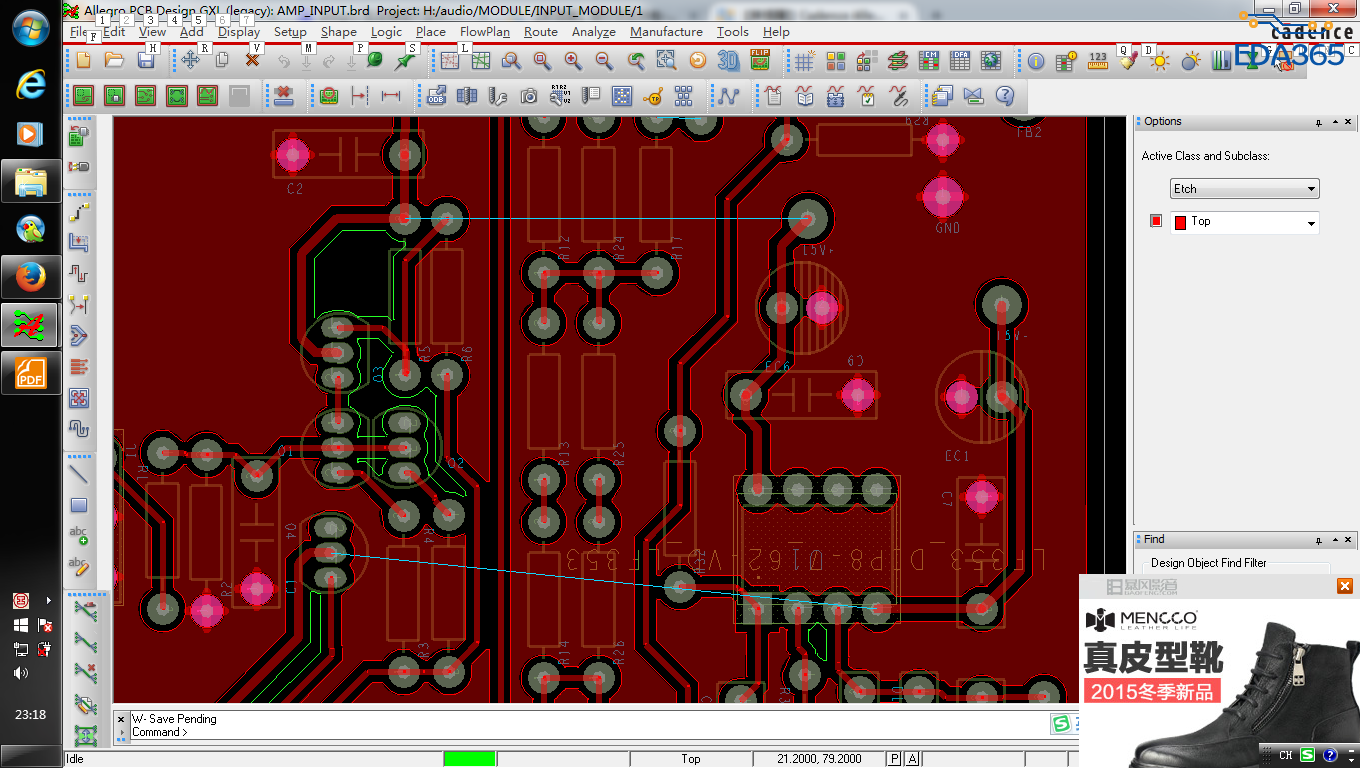
图中绿色的外框是已删除的孤岛,这孤岛已被删除了,但其外框还在,很是碍眼,自己删除这个绿色的外框或者不让它显示也行

这是void的外框,表示这里挖掉了铜的。删掉的话孤岛又会回来。
直接不显示不就可以了!
能说下,可以怎么复原吗?不会是后退吧?
shape---Manual Void----Delete 点击void的shape外框就可以了
右边bound下面,去掉相应层的√

谢谢,可以了。
两种方法,学习了,谢谢!
学习学习
学习了,以前想恢复的时候,都是再铺一块铜盖上,然后合并,落伍了
学习了,谢谢了,非常感谢
转换静态通,在变成动态铜
boundary--选所在层 就可以看到所有shape的外形, 可以根据需要删除
学习学习
厉害
