两层板LAYOUT 怎么实现50欧姆的阻抗匹配
时间:10-02
整理:3721RD
点击:
我一直画低频率大功率的PCB,高频率的没有接触过,所以在这请教下:
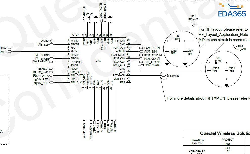
我们用的M26的模块,天线是外置如下图:
我现在是画的两层板,不知道怎么去实现50欧姆的阻抗匹配,比较急,请看到的朋友帮个忙解答下,谢谢!
我们用的M26的模块,天线是外置如下图:
我现在是画的两层板,不知道怎么去实现50欧姆的阻抗匹配,比较急,请看到的朋友帮个忙解答下,谢谢!
阻抗计算软件参数疑问

M26接线图




同层参考
两层板由于厚度原因,一般只能用共面波导。也就是楼上说的同层参考,
参考第二层
谢谢各位的建议,在大家的提示下,我已经解决了,如图:

什么是同层参考呢,具体该怎么做,能说的详细一些吗?
就是在你需要控制的导线的两边加上一定间距,一定宽度的铜皮,以这个铜皮作为参考来计算阻抗,在si9000里面可以计算该导线的共面阻抗。
不错,学习了
学习中
谢谢你的解答,如果走线的两侧是整个铜皮,可以作为参考吗?还是必须特定宽度的位于走线两侧的两根线才能作为参考?
可以参考,铜皮宽度是不定的,根据需要的阻抗大小来定,可以通过si9000计算
这个是不是就是导线包地?
