关于QFP的封装计算方式问题提问.
时间:10-02
整理:3721RD
点击:
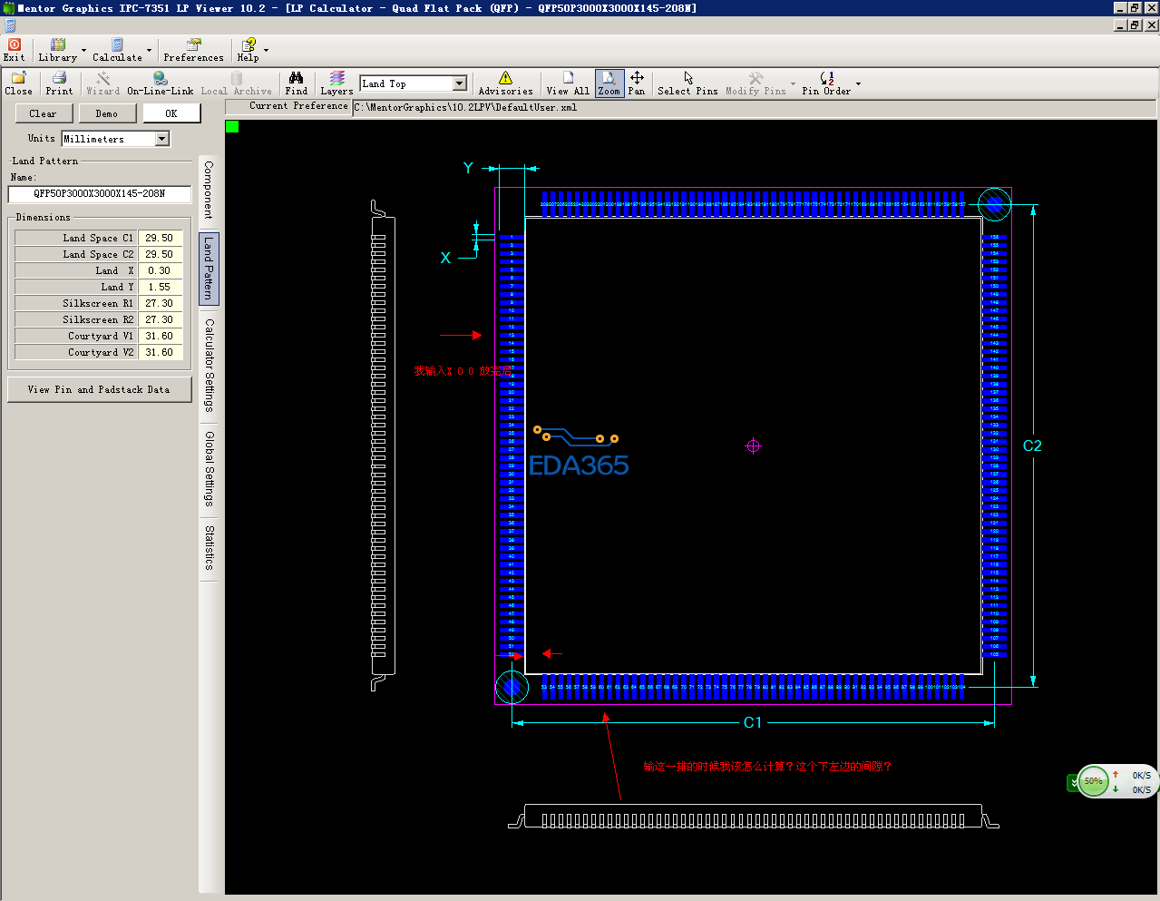
1,近几日在已经学习到画QFP的封装,但有个问题一直无法解决,我在制作封装的时候,我怎么计算出这个芯片的间距\图一

两边平均分就好了
恩,谢谢了,我弄明白了
