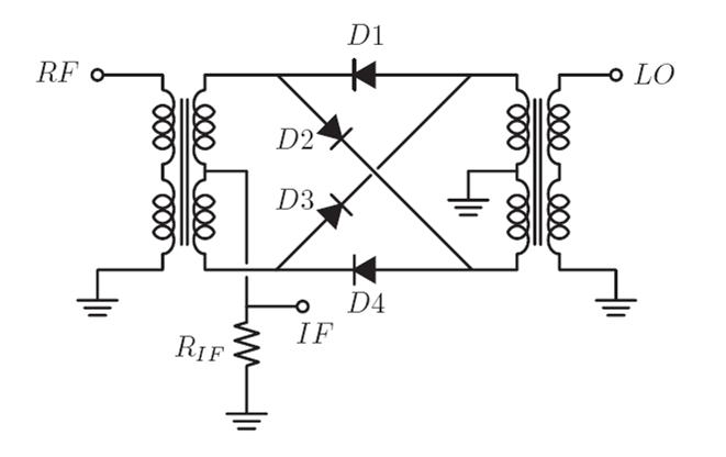
diode passive mixer IF connection
时间:04-09
整理:3721RD
点击:
What is the difference if I connect the IF port to center tap of LO transformer instead of the center tap of RF transformer?

Isolation between IF and LO or RF depends on the topology. For best isolation between LO (high power!) and IF connect the IF to the RF transformer.
passive diode connection 相关文章:
