impedance matching in within a frequency range
I am trying to solve an impedance matching problem within the bandwidth of [1.5GHz, 2.5GHz]. S(1,1) is required to under -20dB.
I am using lumped elements to do the impedance matching in ADS.
But I have no idea how to do the impedance matching in a frequency range. I can only do impedance matching in a specific frequency.
Could anybody give me some hint?
Thank you.
You can use matching smart component in ads to design a matching network.
Read this application note
http://www.eetasia.com/ARTICLES/2001...URCES=DOWNLOAD
Hi,
I've tried to place the LEMtch block and do tools==>impedance matching,
but I find that this element can only optimize one specific frequency. What is more, I want dB(S(1,1)) to be under -20dB, but I have no idea where to specify this requirement.
I brand new with ADS. Am I using the right block?
Would you please explain it in detail?
Thank you very much!
Click impedance matching from the dropdown menu that is on the top left.Then place Bandpass Lumped Element Impedance Matching smart component.Then click tools>impedance matching. On matching asistant tab define your frequency range and terminations etc..
Hi alpuslu,
Thank you for your detailed explanation. I've followed your instructions, but the goal cannot be reached.
My setting is as follows:
order : 5 Fp1:1.5GHz
gain change:20dB Fp2:2.5GHz
synthesis Technique: analytic
The the simulation result is in the attachment, could you tell me where my setting is wrong?
Thank you.
What is your operating frequency and what are your terminations? If u give i can design for you.Please give detailed information about your need.
Hi alpuslu,
The schematic looks as the plot in the attachment:
A impedance matching network is required for matching the output impedance.
The output impedance is a series RL, in which R=15ohmu, l=7.95nH.
The source impedance is 50ohmu.
The goal is :
dB(S(1,1))<=-20 1.5GHz<=f<=2.5GHz
Thank you very much!
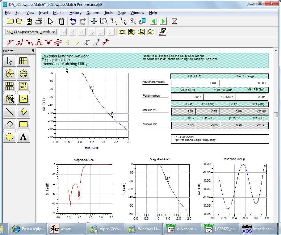
I misunderstood your specifications you can use lowpass or high pass smart components for this specification.
I tried to design here the results


You can run optimization on the design you have. From the Optim palette place an optim component and a goal component. enable optimization for each lumped component. You should set a goal for S11<-20dB. There are some examples in help files...
Hi alpuslu,
Thank you for your design.
But what I want is dB(S(1,1))<=-20dB. @1.5GHz<=f<=2.5GHz
~~~~~~~~~~~~~~~~~~~~~~~~~~~~~~~
I have two questions:
how can you have such a flat passband?
I remember if chebyshev filter only provide a equal ripple passband。
How can you get a high attenuation at the stopband?
Thank you.
I don't know the details of your active part, if it is LNA from 1.5GHz to 2.5GHz, you could try:
1. Try to use a multi-section matching network, you can use the ADS to design and optimize it.
2. Try to use the transformer feedback, or resistive feedback.
3. Try to use lossy matching network, normally it can be used to trade-off bandwidth at the cost of other aspect (gain, noise, etc..).
4. Use the classic Le(Ls) and Lb(Lg) matching, if necessary you may need to add a capacitor in parallel with Cbe(Cgs) to tune the cut-off frequency Ft a little.
impedance matching frequency 相关文章:
- Output Impedance Of a Triple cascode
- How to make image impedance equal
- Input and output impedance matching in Distributed amplifier
- Characteristic impedance of combination of CPWG and stripline on inner layers
- Problem of impedance matching of Gilbert cell mixer
- Input impedance of transmission lines connected in cascade
