RF serial communication (please check my circuit)
时间:04-08
整理:3721RD
点击:

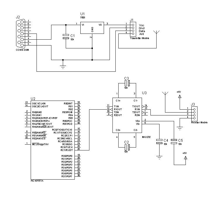
can i do like this?
:D
Most RF modules (e.g. from EasyRadio) have a logic level UART interface. So the MAX232 (or similar)
converter is required for PC RS232 interface, but not required for the PIC. Check the datasheet of your modules.
so if the rf module does not have UART, is it my circuit rite?
