rf loaded line pin diode phase shifter
i have decided to go for stub mounting circuit...the problem is im using pin diode for the phase shifting using AWR microwave Office
how do we actually mounted a pin diode at the end of the stub?
im using pin diode model hsmp 386x ,the spice model for this diode cannot be used in AWR anyone knws about it?
have u tried doing APLAC modelling into AWR?
AN1330 from Avago (former Agilent) is a good tutorial for this type of exercise.
cheers
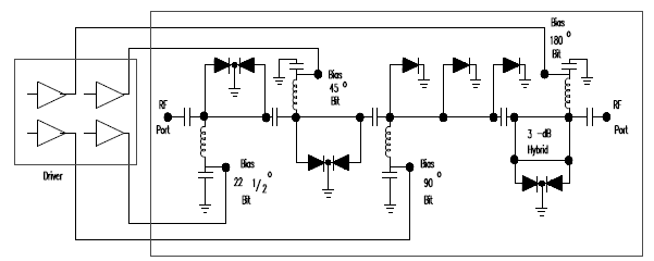
Here is an example to get multiple phase shift using PIN diodes

hi there,thanks im currently trying to do APLAC modeling into AWR for the pin diode hsmp 368x using the limited APLAC model.But the thing is i don't know how to create data file in AWR .DO you know anyting about this :) this is the attachment of the aplac coding any idea how to make it work.i try it but it say no port in the data file wat does it mean?
---------- Post added at 09:35 AM ---------- Previous post was at 09:31 AM ----------
thanks vfone for the example ,i trying to design it using microstrip design by using double stub matching network and mount the pin diode at the end of the stub but i don't know it will work out :(
any other diagram or reading material ?
I hope this link will provide the help u need. Its a very nice tutorial on phase shifters
http://www.odyseus.nildram.co.uk/RFM...%20Shifter.pdf
I recommend a structure called a Shiffman phase shifter. Gives the best bandwidth.
do u have any design and simulation results regarding that schiffman phase shifter......!if so plz attach the files//...am doing project in phase shifter....thank u
