need help about hybire ring mixer

hello everyone,i want to design a mixer use two diodes,so i chouse ring
hybire mixer,but i have some problem when designing it.
1.first,how can i deside the width of the circle and the radius.
2.what is the function of the two sector
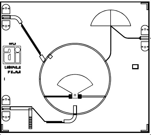
Hello Orkfire,
Total ring lenght must be 1.5*lambda. Main idea is to provide LO phase difference 180 degrees between diodes. If assumed Z0=50 Ohm, suppose ring trace impedance must be 50*sqrt(2)=70.5 Ohm.
Sector is a radial stub (base element in microwave technique for ac blocking).
Have a look at Stephen's Maas "Microwave Mixers" book, there was a short explanation of hybrid ring mixer.
"Microwave Mixers" Stephen Maas.
Many thanks for your help, I will try it.
yesterday i have used ADS to emulated it.i use 2.5GHz 14dbm as LO input and 2.4GHz 0dbm as RF input.and then it come out 4.9GHz -10dbm and unwanted 4.7GHz,4.8GHz ,5.0GHz.I wonder can it be eliminated .thanks


Some of the spurious are more than 30dB below from the wanted so is not a big issue, but you cannot use filters to eliminate them, because they are too close from the wanted.
Try to optimize the LO and RF levels to minimize these spurious, which actually are IM products.
Also try to put a LPF followed by a few dB's attenuator at the LO port, to be sure this is free of harmonics.
Hello, Orkfire.
Let me see you your ADS model? Probably via pm (i don't know, there are supported attachments upload through the pm).
