HELP Usart Signal Not generating Correctly in Optical Receiver
时间:04-07
整理:3721RD
点击:
Hi,
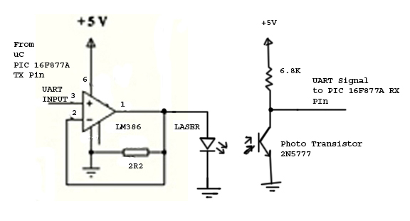
I am Doing a project in wireless optical communication using laser 680nm. The signal is data from a Keypad by a UART using PIC 16f877A which is send to LASER using an OP-AM circuit Given In Schematic.
I need to receive this signal (UART) from a Phototransistor 2N5777 and regenerate the data by another PIC16F877a and display it correctly in LCD display.
I have the codings and its working well in in wired connection (connected b/w Rx and Tx terminals of two PIC's).
But there is no display in the receiver side when i used this optical circuit....
I know that a necessary amplifier is needed in receiver side and also that it can be designed using op-amp but i dont know how its done.... i have tried
various opamp circuits but sometimes the display is showing wrong characters...
Please help me to design the amplifier circuit.... or similar circuit by means of which i can have a proper UART signal reception and display in LCD.....
Please Help.....
I am Doing a project in wireless optical communication using laser 680nm. The signal is data from a Keypad by a UART using PIC 16f877A which is send to LASER using an OP-AM circuit Given In Schematic.
I need to receive this signal (UART) from a Phototransistor 2N5777 and regenerate the data by another PIC16F877a and display it correctly in LCD display.
I have the codings and its working well in in wired connection (connected b/w Rx and Tx terminals of two PIC's).
But there is no display in the receiver side when i used this optical circuit....
I know that a necessary amplifier is needed in receiver side and also that it can be designed using op-amp but i dont know how its done.... i have tried
various opamp circuits but sometimes the display is showing wrong characters...
Please help me to design the amplifier circuit.... or similar circuit by means of which i can have a proper UART signal reception and display in LCD.....

Please Help.....
What speed is the UART running at, the photo transistor with a 6.8K load will have a relative low frequency cutoff.
Fiddle the circuit so the laser is "on", measure the voltage at the collector of the phototransistor, call this Vsat. Switch the laser off and measure Vsat. Is there a good change of voltage between the two values? .5 - 4.5V? Could be the phototransistor is picking up stray light.
Frank
The UART is using 9600 as i am using 12 MHz crystal ... there is a good variation in these range .....
generating Signal Usart 相关文章:
