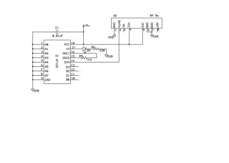
Can someone check my circuit regarding the pairing of an H-bridge with HT12D?
时间:04-05
整理:3721RD
点击:
Thanks.
P.S.- Sorry for the small image size of the HT12D circuitry. I am not that good in editing images!
well, unless the transistors are darlington pairs, 1K ohm resistors may be too big to support a motor current draw.
A and B voltages must be sized carefully to keep both transistors from turning on fully at same time./
No they are not darlington pairs! And I am going to press only one button on the HT12E IC to turn on only one pin of the IC at a time.I don't press both of them at a time!
