PLZ Help me with VCO TEST, THX!


Parasitic components/process variations/interconnections etc. impact much the oscillation frequency and that's why I find this difference of oscillation frequency as normal.But in term of Phase Noise, it's hard to say the same thing because the difference is huge.In order to say something, we should know measurement setup and Phase Noise nature ( which off-set frequency is used).
But the frequency shift seems to be normal.
You have also to make Monte Carlo simulation over 100 or 200 PSS run with temperature effect.In additional to this, Pareto simulation with stat. block will give you the sensitivity of the VCO based on components used.So, you can see which component is more impacting on VCO frequency.
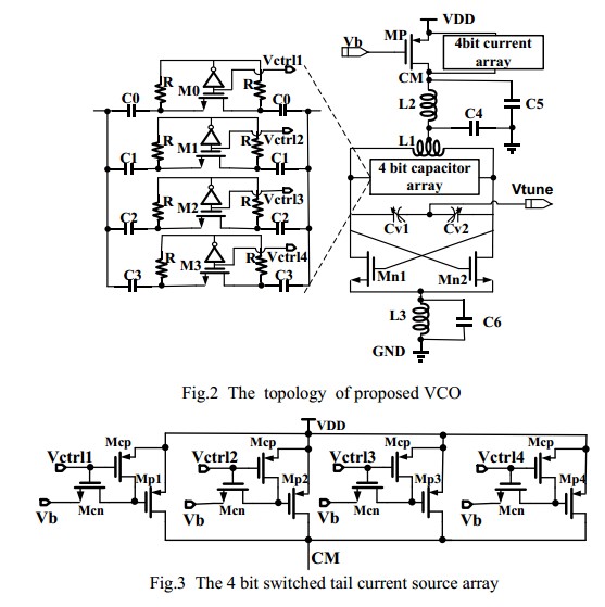
Thanks very much! This is a supplementary. The offset frequency is 1MHz. The output frequency of test is Okay, but the phase noise is so terrible that I am upset about it. There, the chip is on-wafer measurement. I only make a filter capacitor of 400uF at point Vtune and don't make a filter at supply line. Do I need make a filter at every DC pad?
By the way, I am a new guy to VCO design. Could you introduce some articles about Monte Carlo and Pareto simulation of VCO?
