i have a problem with designing this antenna
i have a problem about the designing antenna.
if you know how i can design antenna with HFSS10 please tell me.
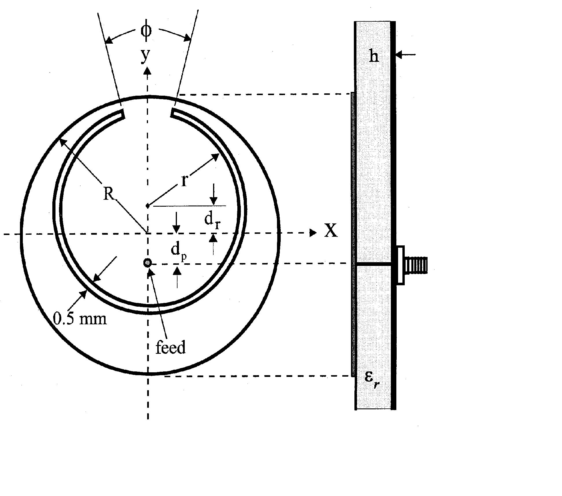
this is my homework's title ''Single-Layer Single-Feed Dual-Frequency Circular
Microstrip Antenna With an Offset Open-Ring Slot''
if you know something about it please tell me.
this the image of the antenna which is i must do.

Hello Mustea
From the looks of it. it should be easy to draw this design if you draw the outer circle first then you have the end of the diameter as a reference point from there mark the radius of the second circle minus the difference of the reference point of the diameter of the second circle. draw the second circle and third circle respectively.then do the subtraction accordingly
Hope that helps
Best Regards
Sajid Mohammed.
hello Mustea,
Attached is the file of the simulation.Please find it appended.Hope i was helpful.
Best Regards
Sajid Mohammed
I have used the variables such as "r"."dp","dr" and"phi"
according to the paper you have presented use the values in the project variable and plot them accordingly.
Hope that helps
Best Regards
Chachito
