will this rf power detecting circuit will work in 400 Mhz to 900 Mhz frequency band ?
时间:03-30
整理:3721RD
点击:
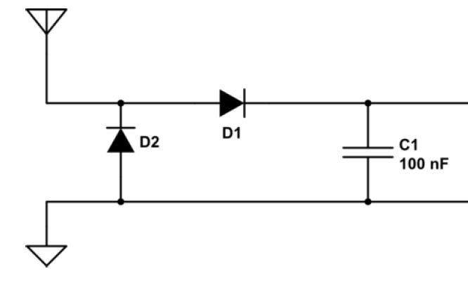
will this rf power detecting circuit will work in 400 Mhz to 900 Mhz frequency band (diode :BAT85)?
here is the circuit
<a title="detector.JPG" href="../imgqa/eboard/EM/EM-kq0lujoyppw.jpg"><img src="../imgqa/eboard/EM/EM-kq0lujoyppw.jpg" alt="detector.JPG" /></a>
http://obrazki.elektroda.pl/5028282100_1392318697.jpg
here is the circuit

<a title="detector.JPG" href="../imgqa/eboard/EM/EM-kq0lujoyppw.jpg"><img src="../imgqa/eboard/EM/EM-kq0lujoyppw.jpg" alt="detector.JPG" /></a>
http://obrazki.elektroda.pl/5028282100_1392318697.jpg
what do you want to detect (1 mV, 100 mV, 2 V, etc)? Whether you will measure something depends on what you use as antenna and the strength of the field.
BAT85 is not the best Schottky diode for a simple UHF detector. Try to find a schottky diode with less capacitance. A very nice detector diode is BAT62 as it has a good breakdown voltage and low capacitance.
I would reduce C1 to 1... 10 nF and use a DVM with high input resistance (> 1 MOhm).
- Help to find equivalent circuit model from .lib file obtained from hfss
- Assigning a circuit(Schematic) to IC in PIPRO, ADS
- Easiest to script circuit layout tools and electromagnetic simulators?
- Circuit input for EMC two capacitores 90 degree
- ADS Simulation of Circuit -Help
- Open Circuit impedance and Short Circuit impedance.
