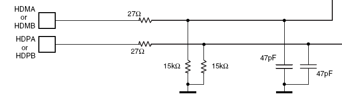
图上表明了阻抗改控制多少?
时间:10-02
整理:3721RD
点击:
usb host
谢谢,期待你的答复!

HOST的输出阻抗是多少?
手册有这样一段话:
Recommended External USB Series Resistor(condition:In series with each USB pin with ±5%) 27ohm
不是27欧姆吗?15K只是下拉而已吧?
不懂
27ohms只是作源端匹配
不知道,
看不出阻抗 .
USB differential impedance(差分阻抗) = 90 ohm
请问3楼所说的手册的名称是什么呀?谢谢!
56
