表征两个不同工作范围的双感测系统电感式生物传感器
每个感测系统内,磁性颗粒只置于其中一个线圈(工作线圈)上;另一个线圈充当"替身",用于去除常见干扰输入。当磁性颗粒置于工作线圈上时,磁通量线将会重新分布,并产生一个非零的输出电压。
2.2.传感器设计和制造工艺
很多化学反应需要考虑温度,因为大多数化学反应规则需要特定温度或温度循环。为开发一个适合多种应用的生物传感器,需要在传感器芯片版图上整合热致动结构(在一个区域内确定统一的温度或恒定的梯度)和热控制结构(精确控制温度)。根据参考文献[23]介绍的制造工艺,我们采用硅技术制造生物传感器。更详细地讲,第一个金属层用于制造加热器和热阻,两个热结构都经过测试。用一个6V直流信号驱动加热器,温度可达100°C以上;温度传感器可精确测量加热器温度。第二个金属层用于制造初级线圈;第三个金属层用于制造两个感测系统(次级大线圈和次级小线圈)。图2所示是两个不同的传感器芯片版图,一个有热结构,另一个没有热结构。根据参考文献[23]描述的程序,我们对温度感测和热致动进行了实验表征。本文讨论无热结构生物传感器的表征。

a)

b)
图2:两个不同的生物传感器芯片版图; 图a:传感器(红色和蓝色)和热结构(青色); 图b,无热结构传感器
电感值主要与线圈材质和设计有关;同样地,磁场也与线圈设计有关。既然传感器行为与几何学参数紧密相关,为找到尽可能最好的配置,我们设计并制造了八个不同的传感器版图。这些芯片版图拥有相同的线圈匝数、线宽和间隔。这八个传感器分别叫做1B、2B、…8B。按照参考文献[22]列出的仿真结果,我们为所有传感器(8B除外)选定了线宽和间隔,以及次级大小线圈的位置。表1列出每个传感器的几何参数。为避免环境噪声,设计一个外部接地保护环路。
表1传感器的几何参数

图3所示是传感器5B。

图3:在光学显微镜下的传感器5B
2.3.磁耦合
为确定最好的工作频率,我们采用了图4的磁耦合检测配置:用幅值恒定变频正弦信号驱动初级线圈,在1MHz-20MHz范围内调节信号频率,同时记录次级大线圈的输出信号。

图4:初级线圈和次级线圈磁耦合效应电子测试方法
图5是测试结果。不难发现,次级大线圈的信号幅值与谐振频率大约15MHz的频率是函数关系。传感器表征选用这个频率。

图5:传感器输出与频率呈函数关系的行为特性。用图4的电子测量方法获取信号
因为磁耦合与设计参数呈函数关系,例如,初级线圈匝数和次级线圈匝数,为表征磁耦合,我们做了一系列测量实验。
几何参数与电参数的关系见方程式1。
(1)
其中,N1和N2 表示初级线圈和次级线圈的匝数;R1和R2分别是初级线圈和次级线圈的电阻;i1 是初级线圈的电流;L’2 是次级工作线圈的电感,而ΔL 是磁性物质出现导致工作线圈的电感变化。
次级大小线圈的磁耦合效应经过检查。图6给出了次级大线圈的测量结果。根据方程式(1),输出信号幅值随一次级线圈匝数增加而升高。更详细地讲,如果次级线圈匝数固定(图中的Ns),输出信号幅度随初级线圈匝数增加而升高,反之亦然。两个次级线圈理论上完全相同,但是还是有细微差别存在。因此,从不存在磁性物质的零开始,输出电压就出现不同的数值,不过,电压值大约只有几毫伏。这个问题放在下一章讨论,共用同一拓扑的传感器的失调电压值都是恒定值(例如,所有的1B传感器的失调电压都相同)。这个问题容易解决,例如,将两个拓扑相同的传感器紧靠在一起,并计算输信号电压的差值。在这种情况下,显然只有一个传感器是工作传感器。

图6:用恒幅恒频的正弦信号驱动初级线圈时的次级大线圈的输出电压。
次级小线圈是5匝。图7描述了表1列出的每个传感器的输出电压与初级线圈匝数的函数关系特性。同样,次级大线圈输出信号电压随初级线圈匝数增加而升高。

图7: 次级小线圈输出电压与初级线圈匝数保持函数关系
3.电感式生物传感器
3.1.信号调理电子元件
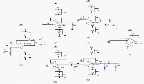
为表征电感式生物传感器,我们开发出一个适合的信号调理电子元件。为使电流值恒定,避免线圈电阻或电感变化引起峰流,我们采用振幅5Vpp、频率15MHz的正弦信号,通过电压-电流转换器驱动初级线圈。在退耦后,次级线圈信号经非反相放大器放大,提供信号修整所需的振幅。为保证极性绝对为正,放大信号通过钳位电路升压,然后被修正;使用钳位电路可取得更高的响应性能。最后,用一个差分放大器对两个被修整的信号进行放大和去除处理。图8所示是上面讨论的电子元件的机制

图8 用于表征传感器的信号调理电子元件
3.2.磁珠
如前文所述,本文所讨论的电子元件是用于采用磁性标记物对目标分子存在进行量化的生物传感器。为表征生物传感器的性能,需要在生物传感器的工作线圈上放置不同数量的磁性颗粒,输出电压测量值与磁性物质的质量是函数关系。采用ScreenMAG-Aminemagnetic particles (1 μm of radius) fromChemicell®荧光标记磁珠分离试剂。用水性印刷缓冲液(含有150 mM Na2HPO4, 0.001%的pH值为9.2的甘油)稀释悬浮液,因此,每滴斑液含有4.16ng磁珠。该浓度用于表征次级大线圈(在工作线圈上感测若干个液滴),还可用于对次级小线圈进行初步表征,以检查小线圈是否能够感测单个液滴。基于用次级小线圈进行初步表征取得的积极结果,我们选择在传感器7B上放置使用较稀的磁性溶液取得的0.416ng-4.16ng不同质量的磁珠,在温湿度可控的1000级无尘室内,用一台有压电尖(节流尺寸40 um)的Perkin Elmer检测仪完成印刷过程。
传感器 相关文章:
- 传感器和致动器正成为元器件市场新热(03-12)
- 图像传感器市场突破60亿美元,CMOS将占主导地位(05-22)
- 超低功率“智能尘埃”创新无限,无线传感器技术继续高歌猛进(05-22)
- 电化学气体传感器核心技术见突破(05-26)
- 日本工业机器人选中Cognex视觉传感器作为标准组件(04-14)
- 欧姆龙索能发力通用传感器市场,上海成立合资公司(05-08)
