单相正弦脉宽调制逆变器的设计
正弦波电压ua由函数发生器ICL8038产生。ICL8038引脚和具体的接法如图4所示。正弦波的频率由R1,R2和C来决定,f=,为了调试方便,我们将R1及R2都用可调电阻,R2和R是用来调整正弦波失真度用的。在实验中我们测得当f=50Hz时,R1+R2=9.7kΩ,其中C=0.22μF。正弦波信号产生后,一路经过精密全波整流,得到馒头波uc,另一路经过比较器得到与正弦波同频率,同相位的方波ub。uc与1V基准经过加法器后得到ud,ud输入到SG3524-2的脚1,脚2与脚9相连,这样ud和锯齿波将在SG3524-2内部的比较器进行比较产生SPWM波ue。分相电路用一块二输入与门74LS08和一块单输入非门74LS05所组成。ub和ue加到分相电路后就可以得到驱动信号uf和ug,再将uf和ug加到MOS管驱动电路的光耦原边,就可以实现正弦脉宽调制。

图4 ICL8038用于正弦波信号发生
2.3 驱动电路设计
设计的驱动电路如图5所示,它由驱动脉冲放大和5V基准两部分组成。脉冲放大包括光耦Vo1,R1和R2,中间级的VT1,推挽输出电路VT2和VT3,对高频干扰信号进行滤波的C1;5V基准部分包括R4,VZ1和C2,它既为MOS管提供-5V的偏置电压,又为输入光耦提供副边电源。其工作原理是:
1)当光耦原边有控制电路的驱动脉冲电流流过时,光耦导通,使VT1基极电位迅速下降,VT1截止,导致VT2导通,VT3截止,电源通过VT2,栅极电阻R5,使MOS管导通;
2)当光耦原边无控制电路的驱动脉冲电流流过时,光耦不导通,使VT1基极电位上升,VT1导通,导致VT3导通,VT2截止,MOS管栅极电荷通过VT3,栅极电阻R5迅速放电,-5V偏置电压使之可靠地关断;
3)电阻R5和稳压管VZ2,VZ3用以保护MOS管栅极不被过高的正、反向电压所损坏;
4)光耦Vo1采用组合光敏管型光耦6N136,具有光敏二极管响应速度快,线性特性好,电流传输大的优点,能满足实验的要求。

图5 MOS管驱动电路原理图
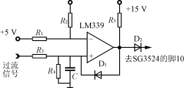
2.4 过流保护电路
过流保护是利用SG3524的脚10加高电平封锁脉冲输出的功能。当脚10为高电平时,SG3524的脚11及脚14上输出的脉宽调制脉冲就会立即消失而成为零。过流信号取自电流互感器(对SG3524-1芯片串接在工频变压器的副边,对SG3524-2芯片串接在滤波电路前),经整流后得到电流信号加至如图6所示过流保护电路上。过流信号加至电压比较器LM339的同相端。当过流信号使同相端电平比反相端参考电平高时,比较器将输出高电平,则二极管D2将从原来的反向偏置状态转变为正向导通,并把同相端电位提升为高电平,这一变化将使得电压比较器一直稳定输出高电平封锁脉冲,则Boost电路停止工作,在正常状态下,比较器输出零电平,不影响Boost电路工作。

图6 过流保护电路
2.5 反馈调压电路
反馈调压电路图如图7所示。当逆变器正常工作时,逆变器的输出信号接反馈变压器,其二次电压经整流,滤波,分压得到反馈电压uo,显然,uo的大小正比于逆变器的输出电压。调节W1可调节负反馈电压的大小,从而调节逆变器输出电压的幅值。uo控制信号被送到SG3524-1芯片的误差放大器的反相端脚1。误差放大器的同相端脚2接参考电平。这样,SG3524的输出脉冲的占空比就受到反馈信号的控制。调节过程是这样的,当逆变器输出因突加负载而降低时,它会使加在SG3524-1的脚1的输入反馈电压下降,这会导致SG3524-1输出脉冲占空比增加,从而使得Boost电路输出电压升高,逆变桥的直流电压升高,逆变器输出交流电压升高。反之亦然。可见,正是通过SG3524-1的脉宽调制组件的控制作用,实现了整个逆变器的输出自动稳压调节功能。

图7 反馈调压电路
3 逆变器的实验结果
按本设计的SPWM逆变器方案试制了样机,其额定输出功率为300W,滤波器参数取L=0.7mH,C=5μF,滤波效果较好,样机的输出电压如图8所示。从直观看,电压波形正弦度较好(因条件所限,尚未测试THD)。用此样机带负载运行,效果较好。实验表明,本文提出的系统方案是切实可行的,可以用在铁路、冶金等大功率非线性用电设备附近,作为对电网输入电压要求较高的一类负载(如检修、测试设备)的电源。另外,为了满足客户的要求,本电路还可以提供60Hz/110V的正弦电源。

图8 输出电压波形
- 单相电机绕组的维修(01-03)
- 基于MATLAB的单相桥式整流电路研究(06-07)
- 小电流接地系统单相接地保护装置的研制(10-21)
- 基于单相Boot型 AC/AC交流变换器的分析与实现(03-11)
- 双向开关前置的单相升压APFC变换器建模和仿真(10-18)
- 基于MC56F8323的单相功率因数校正模块的应用(01-05)
