基于AVR单片机的数字正弦逆变电源设计
提出一种高性能的直流-交流(DC-AC)数字式正弦逆变电源的设计方法。采用SG3525A 与AVR 系列单片机AT90PWM2 作为控制器进行设计。SG3525A 产生PWM 波进行前端的推挽升压控制,通过直流母线上高电压的负反馈,使得全桥逆变的输入电压保持稳定。AT90PWM2 的波形发生器产生SPWM 波形对后级全桥逆变进行控制,通过采样全桥逆变后的输出电流以及输出电容电压,实现双闭环控制,使得逆变电源在各种不同类型负载条件下都能具备良好的输出特性以及负责效应。实验结果表明:1 kW 样机性能稳定,逆变效率大于90%,在不同种类的满功率的负载条件下均能保持电压精度为220 V±1%,频率精度50 Hz±0.1%,THD 小于1%。
逆变电源应用广泛,特别是精密仪器对逆变电源性能要求更高。好的逆变电源不仅要求工作稳定、逆变效率高、输出的波形特性好、瞬态响应特性好,还要求逆变电源小型化、智能化、并且具备可扩展性。因此,这里提出一种基于AVR 系列单片机AT90PWM2 的数字正弦逆变电源, 前级SG3525A采用PWM 控制升压电路实现输入和过热保护。后级单片机AT90PWM2 使用单极性倍频SPWM 控制方式进行全桥逆变,且进行输出保护。
1 总体设计及工作原理
逆变电源的系统整体框图如图1 所示,系统的主电路采用前级推挽升压和后级全桥逆变的2 级结构[2],这样可以避免使用工频变压器,有效降低电源的体积和质量,提高逆变效率。其工作原理为:12 V 的直流输入电压经过滤波后推挽升压和全桥整流升压到350 V 的直流母线电压,再经过全桥逆变电路转变为220 V/50 Hz 的工频交流电。

图1 系统的总体框图
为了减小输入电压的影响,采样全桥整流后的输出电压作为反馈电压来控制前级推挽升压电路的控制器, 调节SG3525A 输出PWM 波形的占空比, 使得直流母线的电压始终保持在350 V。同时采样输出滤波电容上的电压和输出滤波电感上电流,采用电压电流双环控制,调节后级全桥逆变电路的SPWM 的输出,从而得到良好的输出波形特性以及稳定的负载特性。
2 系统硬件设计
2.1 推挽升压PWM 波形的产生
直流升压电路采用推挽式,其结构简单,效率高。电路中的功率管VQ1,VQ2通过SG3525A outputA,outputB 交替产生的2 路互补PWM 波来控制通断。SG3525A 可以通过调节外接的电阻和电容来产生100 Hz~500 kHz 之间的不同频率段的PWM 波形,其PWM 波的频率fPWM和外接电阻RT,RD,外接电容CT关系为:

SG3525A 通过反馈的直流母线电压可自动调节PWM 波的占空比,使得输出稳定。同时SG3525A 具有电压的输入欠压锁定和PWM 锁定功能,一旦发生过流或者过压的现象,可以迅速关断PWM,保证了整个电路的安全性。
2.2 全桥逆变SPWM 波形的产生
SPWM 波形由AVR 单片机系列的AT90PWM2 产生。AT90PWM2 具有2 个12 位的波形发生器PSC0,PSC2, 分别产生2 路互补的SPWM 信号经过驱动电路隔离放大后驱动全桥逆变中的功率管。其中PSC0 生成为VQ3和VQ4的控制信号,PSC2 生成VQ5和VQ6的控制信号。
选择PSC 工作在中心对齐模式, 并且PSC0 和PSC2 工作在同步状态。则PSC 计数器从寄存器OCRnRB 定义的最大值开始计数,先减到零再加到最大值,当PSC 计数器的值与寄存器OCRnSB,OCRnSA 的值相等时, 则将分别改变PSCn输出引脚PSCOUTn0、PSCOUTn1 的电平。其三角波载波周期
fSPWM和PSC 计数频率fPSC以及寄存器OCRnRB、OCRnRA(n=0或2)的关系为:
2.3 全桥逆变电路
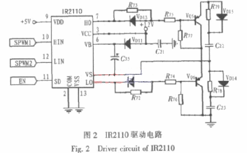
逆变电路是逆变电源的核心组成部分,完成将直流电压转变为交流电压的过程。采用由4 个IGBT 作为功率管组成全桥逆变电路,该电路具有控制方便,功率管利用率高等特可以采用IR2110 驱动电路。IR2110 采用高度集成的电平转换技术,大大简化了逻辑电路对功率器件的控制要求,同时提高了驱动电路的可靠性。尤其是上管采用外部自举电容,使得驱动电源数目较其他驱动器大大减少,如图2 所示。

2.4 输出LC 滤波电路
由于全桥逆变电路的输出为50 Hz 的基波以及其他高低次谐波,为了得到纯正的正弦波形,必须考虑设置滤波环节。因为谐波主要集中在1 倍和2 倍fSPWM附近,所以设置截止频率fC为fSPWM/5。则有:

式中,R 为直流侧等效负载电阻,Vout为输出的电流电压,P 为逆变器的额定功率。
3 系统软件设计
3.1 单片机简介
AT90PWM2 是AVR 系列单片机,该单片机主要特点有:
1)高性能的8 位RSIC 结构,1 MIPS/MHz,支持最高16 MHz的时钟;2)8 KB 系统可编程(ISP)的Flash 存储器,支持自举方式编程,512 字节SRAM,512 字节EEPROM;3)4 路PWM通道提供各种PWM 信号, 并可以进行死
- 实话实说电源设计(01-22)
- 通用电源设计指南(05-22)
- 具有多个电压轨的FPGA和DSP电源设计实例(05-22)
- 具有多个电压轨的FPGA和DSP电源设计实例(二) (05-22)
- 电源设计小贴士3:开关电源阻尼输入滤波器(02-03)
- 一种适合教学的开关电源设计及调试(09-06)
