无损箝位电路在单端正激电源中的应用
时间:06-16
来源:EDN
点击:
1 引 言
在各种隔离式DC/DC变换器中,单端正激式变换器是其中最简单且适合大电流输出的一类,因而正激式变换成为低压大电流功率变换器的首选拓扑结构。但因其高频开关变压器磁通工作在磁滞回线的一侧,必须进行磁复位,以确保励磁磁通在每一个开关周期开始时处于初始值。同时由于工作在高频状态下,开关变压器漏感、分布电容等寄生参数的影响不能忽略,在开关转换瞬时,电抗元件的能量充放致使功率器件承受很大的热和电应力,并可导致开关管的电压过冲,这不仅意味着设计人员必须选用昂贵的高耐压功率开关管,同时也给电源的可靠性带来潜在威胁。为此常常还需设置各种缓冲吸收电路,但这降低了变换器的工作效率。
为了解决单端正激式开关电源中的磁复位与漏感储能问题,传统的解决方案有以下几种:
(1)、采用辅助绕组复位电路;
(2)、采用RCD箝位复位电路;
(3)、采用有源箝位复位电路。
其中方案1要求辅助绕组与初级绕组必须紧耦合,实际上因漏感的存在电路中仍需外加有损吸收网络,以释放其储能;方案2是一种有损复位箝位方式,因其损耗的大小正比于电路的开关频率,(和方案1中外加有损吸收网络一样)这不仅降低了电源本身的效率,也限制了电源设计频率的提高;方案3中需要附加一复位开关管与相关控制电路,增加了电路复杂性的同时,也带来了附加电路损耗与总成本的上升。
本文介绍一种新型无损箝位电路,无须额外附加辅助开关管,电路简单,可有效降低功率管的电压应力,箝位效果优异,且有利于电源工作效率的提高。
2 工作原理
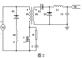
新型无损箝位电路(图1)与上述方案1(图2)中采用辅助绕组的传统方法相类似,不同之处是增加一个箝位电容C2,但功率主回路上无需外加有损吸收网络。传统的方法是在变压器中附加一个去磁绕组N3,它与二极管D3串联后接到电源输入正极,N3起到去磁复位作用,功率管S漏源间并联的RC网络,用于吸收变压器的初级漏感储能,防止产生过电压尖峰,保护功率管S免被击穿,见图2所示。图1中的箝位电路由辅助箝位绕组N3、箝位二极管D3、箝位电容C2组成。辅助箝位绕组N3的与初级绕组N1相同,目的是为了实现当功率开关管S漏源间电压VS上升到2VI时,加在初级绕组N1上的电压等于VI,因N1、N3匝数相等,箝位绕组N3的电压也必然是VI,此时D3恰好正偏导通。
1) T0时刻为初始状态,设功率开关管S处于关断状态,此时(B点电压)VS等于VI,箝位电容C2通过初级绕组N1、箝位绕组N3被充电至VI,电容极性为左负右正。
2)在T1~T2期间,功率管S导通,由于箝位绕组与初级绕组电压相同,参照图1所示的同名端可知,VA为-VI,二极管D3反向偏置截止。在此期间,变换器实现功率的变换,能量从初级传到次级。
3)在T2时刻,功率管S关断,变压器中的漏感与磁化储能给功率管等寄生分布电容充电,(B点电压)VS最终上升到2VI,A点电位也从- VI 上升为+VI ,若此时B点电位进一步上升,二极管D3将正向偏置导通,功率管S漏源间的电压VS通过电容C2和二极管D3得到有效箝位。
4)在T2~T3期间,反射在初级的负载电流Io下降,其下降的速率由初级与次级间的漏感决定,该电流通过箝位电容C2、箝位二极管D3回流至电源,流过电容C2的电流引起其端电压上升(设其增量为dVS),导致B点电位变化为2VI+dVS。
5)在T3时刻,由于出现输出二极管D1的反向恢复,反射到的初级电流Io出现负值,箝位二极管D3停止导通,因功率管S的漏源间存在输出电容Cp,(B点电位)VS出现下降直到输出二极管D1反向反射电流小于初级磁化电流并在T4时刻等于零为止。
6)在T4~T5期间,正在减少的正向磁化电流将引起B点电位VS再次向2VI上升,直到箝位二极管D3再导通,将VS箝位在比2VI稍高的电位上。
7)在T5时刻,初级磁化电流减为零,箝位电容C2通过初级绕组N1、箝位绕组N3向电源VI放电,回送电容储能,VS跌至VI。
8)下一时刻重复以上过程。
在各种隔离式DC/DC变换器中,单端正激式变换器是其中最简单且适合大电流输出的一类,因而正激式变换成为低压大电流功率变换器的首选拓扑结构。但因其高频开关变压器磁通工作在磁滞回线的一侧,必须进行磁复位,以确保励磁磁通在每一个开关周期开始时处于初始值。同时由于工作在高频状态下,开关变压器漏感、分布电容等寄生参数的影响不能忽略,在开关转换瞬时,电抗元件的能量充放致使功率器件承受很大的热和电应力,并可导致开关管的电压过冲,这不仅意味着设计人员必须选用昂贵的高耐压功率开关管,同时也给电源的可靠性带来潜在威胁。为此常常还需设置各种缓冲吸收电路,但这降低了变换器的工作效率。
为了解决单端正激式开关电源中的磁复位与漏感储能问题,传统的解决方案有以下几种:
(1)、采用辅助绕组复位电路;
(2)、采用RCD箝位复位电路;
(3)、采用有源箝位复位电路。
其中方案1要求辅助绕组与初级绕组必须紧耦合,实际上因漏感的存在电路中仍需外加有损吸收网络,以释放其储能;方案2是一种有损复位箝位方式,因其损耗的大小正比于电路的开关频率,(和方案1中外加有损吸收网络一样)这不仅降低了电源本身的效率,也限制了电源设计频率的提高;方案3中需要附加一复位开关管与相关控制电路,增加了电路复杂性的同时,也带来了附加电路损耗与总成本的上升。
本文介绍一种新型无损箝位电路,无须额外附加辅助开关管,电路简单,可有效降低功率管的电压应力,箝位效果优异,且有利于电源工作效率的提高。
2 工作原理
新型无损箝位电路(图1)与上述方案1(图2)中采用辅助绕组的传统方法相类似,不同之处是增加一个箝位电容C2,但功率主回路上无需外加有损吸收网络。传统的方法是在变压器中附加一个去磁绕组N3,它与二极管D3串联后接到电源输入正极,N3起到去磁复位作用,功率管S漏源间并联的RC网络,用于吸收变压器的初级漏感储能,防止产生过电压尖峰,保护功率管S免被击穿,见图2所示。图1中的箝位电路由辅助箝位绕组N3、箝位二极管D3、箝位电容C2组成。辅助箝位绕组N3的与初级绕组N1相同,目的是为了实现当功率开关管S漏源间电压VS上升到2VI时,加在初级绕组N1上的电压等于VI,因N1、N3匝数相等,箝位绕组N3的电压也必然是VI,此时D3恰好正偏导通。


1) T0时刻为初始状态,设功率开关管S处于关断状态,此时(B点电压)VS等于VI,箝位电容C2通过初级绕组N1、箝位绕组N3被充电至VI,电容极性为左负右正。
2)在T1~T2期间,功率管S导通,由于箝位绕组与初级绕组电压相同,参照图1所示的同名端可知,VA为-VI,二极管D3反向偏置截止。在此期间,变换器实现功率的变换,能量从初级传到次级。
3)在T2时刻,功率管S关断,变压器中的漏感与磁化储能给功率管等寄生分布电容充电,(B点电压)VS最终上升到2VI,A点电位也从- VI 上升为+VI ,若此时B点电位进一步上升,二极管D3将正向偏置导通,功率管S漏源间的电压VS通过电容C2和二极管D3得到有效箝位。
4)在T2~T3期间,反射在初级的负载电流Io下降,其下降的速率由初级与次级间的漏感决定,该电流通过箝位电容C2、箝位二极管D3回流至电源,流过电容C2的电流引起其端电压上升(设其增量为dVS),导致B点电位变化为2VI+dVS。
5)在T3时刻,由于出现输出二极管D1的反向恢复,反射到的初级电流Io出现负值,箝位二极管D3停止导通,因功率管S的漏源间存在输出电容Cp,(B点电位)VS出现下降直到输出二极管D1反向反射电流小于初级磁化电流并在T4时刻等于零为止。
6)在T4~T5期间,正在减少的正向磁化电流将引起B点电位VS再次向2VI上升,直到箝位二极管D3再导通,将VS箝位在比2VI稍高的电位上。
7)在T5时刻,初级磁化电流减为零,箝位电容C2通过初级绕组N1、箝位绕组N3向电源VI放电,回送电容储能,VS跌至VI。
8)下一时刻重复以上过程。

3 关键电路参数设计
(1)箝位电容计算
从上文分析可知,箝位电容C2的取值决定了功率管漏源间电压VS超出VI值的多少,超出的电压dVS近似计算方法见式 (1):
dVS =0.5(Io/Nps)(T2-T3)/C (1)
式中 Nps是初次级匝比,Io是负载电流。
因VS的上升时间与T2-T3间隔相比甚小,可忽略不计,故
dT= T2-T3=LS(Io/ Nps)/VI (2)
式中是LS相对于初级绕组的初次级间漏感
联解(1)、(2)式可得:
dVS =0.5(Io/Nps)(LS Io/Nps)/(VI×C)=0.5LS(Io/Nps)2/(VI×C) (3)
(2)箝位二极管设计选择
二极管D3的峰值电流定额必须大于Io/Nps,同时其平均电流定额IAV至少必须等于:
- 基于AT89S52的智能快速充电器控制系统的设计与实现(01-06)
- 不连续模式反激变换器的基本原理和电路设计(01-05)
- 2kW新型推挽正激直流变换器的研制(01-05)
- 负输出罗氏变换器实用性剖析(01-09)
- 一种新型ZCS-PWM Buck变换器研究(02-20)
- 高效紧凑反激式变换器电信电源的设计(02-13)
