20A LED 驱动器提供准确度为 ±3% 的满标度电流检测

图 4:LT3744 能够以 3 种不同的电流值驱动单个 LED
3 种不同电流状态之间的 PWM 调光如图 5 和图 6 所示。在图 5 中,PWM 信号顺序接通和断开。PWM3 的优先级最高,PWM1 则最低。这允许单一输入信号快速转换,以改变输出电流。如图 6 所示,PWM 输入信号之间可以有任意长短的时间间隔。

图 5:LT3744 在 3 种稳定电流状态之间转换,断开时间不到 3 个开关周期。

图 6:不同电流状态可以在任何时间接通 (状态之间具有或没有时间间隔)
一款适用于微型投影仪或智能手机投影仪的完整 RGB LED 解决方案
在微型投影系统或智能手机投影系统中,减少总体解决方案占用的空间及其成本非常重要。在这类应用中,PCB 空间极其有限,驱动器解决方案的总体积 (包括组件高度) 必须最小化。仅用 1 个 LED 驱动器驱动所有 3 个 LED 可以显著减少所需空间,从而允许使用较大的电池或功率较大的 LED,以延长电池寿命和提高投影系统光通量。
LT3744 同时采用了开关输出电容器技术和浮置栅极驱动器,用单个 LED 驱动器构成了一个完整的 RGB 解决方案。LT3744 为 PWM 输出引脚提供了独特的栅极驱动器。该驱动器的负轨浮置在 VFNEG 引脚上,可将所有处于断开状态的开关栅极拉低至负电压。这确保与输出电容器串联的开关在任何条件下都不会接通。这个驱动器允许任意 LED 串之间有 15V 压差。
每个 LED 都可以顺序接通,相互之间有一定的时间延迟,或者按照提供给 PWM 数字输入的任何模式接通。此外,凭借 3 个独立的模拟控制输入,每个 LED 都能够以不同的稳定电流运行。当 LT3744 配置为负输出降压-升压型转换器时,单节锂离子电池仅用单个控制器就可以驱动 3 个独立的 LED 串。图 7 显示了一个专门为 RGB 微型投影仪设计的 3.3V/5A 负输出、3 色、降压-升压型 LED 驱动器。

图 7:LT3744 能够用单节锂离子电池驱动微型投影仪或智能手机投影仪中所有 3 种色彩 (R、G 和 B) 的 LED。
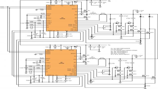
两个 LT3744 LED 驱动器并联以组成 324W 双 LED 驱动器
在任何大功率 / 大电流控制器设计中都有一个重要的限制因素,那就是 PCB 的功率密度。PCB 功率密度限制到大约 50W/cm2,以防止电源通路组件的温度上升得过高。在极端情况下,当一个 LED 负载需要的功率超过单个驱动器所能提供的限度时 (仍然保持在功率密度限制之内),多个转换器可以并联以分担负载。
一个具备新式功率 MOSFET 的高效率大电流 LED 驱动器控制器可以提供大约 200W (解决方案尺寸大约为 4cm2),并可将所有电源通路组件的温度限制到低于 80ºC。就高于 200W 的 LED 负载而言,LT3744 可以并联,以限制任何组件的温度上升。所有补偿输出都应该并联,以允许转换器之间的均流。
图 8 显示了一款 324W 转换器,由两个凌力尔特 DC2339A 演示电路板并联组成。在这款设计中,每个并联的控制器都产生 27A 电流,总共产生 54A 电流,电压为 6V。通过将相应的补偿输出连接到一起,两个控制器协调一致地运行,以提供平滑、良好的启动和准确的 DC 调节。

图 8:一款 57A/324W 双 LED 驱动器
图 9 显示了每个电路板的 LED 电流启动过程。请注意,在整个启动过程中,每个电路板提供的稳定电流都是相同的。图 10 显示,在 DC 稳定且未进行 PWM 调光时,两个应用电路板之间实现了出色的电流均分 (波形是直接在彼此的顶部)。图 11 显示,在 100% 占空比时,温度上升至比电路板环境温度高约 55ºC。组件 L1 是电感器、Q1 和 Q3 是开关功率 FET,R5 是电感器电流检测电阻器,R32 是 LED 电流检测电阻器,U1 是 LT3744。
凌力尔特大功率 LED 驱动器控制器系列总结
|
|
LT3741 |
LT3743 |
LT3744 |
LT3763 |
LT3791 |
|
VIN 范围 |
6V~36V |
6V~36V |
3.3V~36V |
6V~60V |
4.7V~60V |
|
LED 输出范围 |
0V~34V |
0V~34V |
−20V~36V |
0V~55V |
0V~52V |
|
拓扑 |
降压 |
降压 |
降压和负输出 降压-升压 |
LED 驱动器 LT3744 电流调节 降压型控制器 相关文章:
- 三路输出LED驱动器可驱动共阳极LED串(08-17)
- LED向“绿色”转变需要高性能LED驱动器(08-17)
- 省电、高亮度LED需要高性能LED驱动器(08-16)
- 浅谈LED太阳能灯技术原理(08-10)
- LED照明的操作要求对驱动器IC性能构成压力(08-17)
- 汽车刹车灯及其他LED信号灯的准确“暗淡”/“明亮”控制(08-12)
