微波EDA网,见证研发工程师的成长!
首页 > 硬件设计 > 模拟电路设计 > 三相功率因数校正(PFC)技术的综述(1)

三相功率因数校正(PFC)技术的综述(1)

时间:05-23 来源:互联网 点击:

图16 工作在critical时电感上电流波形

图17 工作在critical时电流波形与M关系

通过两个三相单开关PFC的交错并联(interleaving)的方法也可以减小输入电流的THD值[10]。电路如图18所示。这种并联的思想是让这两个三相单开关PFC电路尽可能工作在接近DCM与CCM临界的情况下,然后两只开关的驱动信号在相位上相错开180°。这样对单个三相单开关PFC电路来说是工作在DCM下,但这两个模块的电流之和有可能是连续的,输入网侧电流的谐波显著减小,电流波形如图19所示。交错并联的好处是:一方面减小了输入电流的THD值,另一方面由于两只开关驱动信号在相位上错开180°,使系统的等效开关频率提高1倍,这可以使EMI滤波器的截止频率提高。这两方面都可以减小EMI滤波器的体积和重量。电路即便不采用任何电流控制方式,这两个三相单开关PFC电路都有较好的均流效果。但是,由于使用两个三相单开关PFC电路模块,会使整个系统的成本提高。另外为了减小两个模块内部相互影响,每个模块还要加一个隔离二极管。

图18 两个三相单开关PFC交错并联电路

图19 两个三相单开关PFC交错并联电路电流示意图

为了减小开关管的电流应力,可用三只开关管取代全桥上半臂或下半臂的整流二极管,另外半臂则不能使用普通整流二极管,而要用快恢复二极管,电路如图20所示[11]。三只开关管用同一个驱动信号,电感电流工作在DCM下。与图8电路相比该电路的优点是:每只开关管的平均电流应力只有图8电路中开关管的1/3,半导体器件的损耗也比较小(因在开关关断时,电流只通过二个半导体器件,而图8电路则通过三个半导体器件)。缺点是:使用了三只开关管和三只快速恢复二极管,成本较高,电路仍工作在DCM下,THD较大。

图20 全桥下半臂用三只开关管取代整流二极管的电路

在提高开关频率进而减小输入滤波器的同时,为了减小开关损耗及EMI,可以通过辅助开关SaLrCr组成的谐振支路使主开关管实现零电流关断[12]。电路如图21所示。零电流关断的实现过程是这样的:在主开关S导通期间,Cr通过Lr,S,Sa内部的二极管放电,使Cr电压为上负下正。在开关关断前一段时间,辅助开关Sa先导通,CrLr谐振,将Cr上充好的电能放出。谐振电流经过主开关管的方向与原来主开关管电流方向相反,抵消了主开关管的电流,实现主开关管的零电流关断。

图21 主开关管零电流关断电路

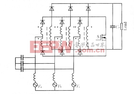
图22是J.W.Kolar等提出的Buck-Boost输出型PFC[13]。这种电路可以认为是反激式单相PFC在三相中的延伸。电路的原理是:开关导通时,电感电流线性上升,开关关断时,电感电流通过变压器向负载释放。电路优点是:输入电流为纯正弦(与图8电路相比,没有输入电流与输入电压的非线性阶段t2t3),功率因数为1,输出与输入隔离。缺点是:开关的电流应力和电压应力都很大,与单相正激式PFC相同,适合应用在小功率范围。

图22 Buck-Boost型三相PFC电路

Copyright © 2017-2020 微波EDA网 版权所有

网站地图

Top