放大器中射频干扰整流误差电路
扰抑制电路
AD8225射频干扰滤波器电路
图6显示的是针对这种仪表放大器的推荐射频干扰滤波器。AD8225仪表放大器增益固定为5,且较AD8221更易受射频干扰的影响。如不采用射频干 扰滤波器,当输入2 Vp-p、10 Hz至19 MHz正弦波时,这种仪表放大器测得的直流失调电压约为16 mV RTI。通过使用电阻值更大的电阻,该滤波器可得到比AD8221电路更高的射频衰减:用10 k 代替4 k 。由于AD8225具有较高的噪声电平,因此这是可以接受的。若使用滤波器,则直流失调电压误差可忽略。

图6 AD8225射频干扰滤波器电路
使用共模射频扼流圈做仪表放大器射频干扰滤波器
作为RC输入滤波器的替代方案,可在仪表放大器的前面连接一个商用共模射频扼流圈,如图7所示。共模扼流圈是一种采用共用铁芯的双路绕组射频扼流圈。 两个输入端的任何共模输入射频信号都会被扼流圈衰减。共模扼流圈以少量元件提供了一种简单的射频干扰抑制方式,同时获得了更宽的信号通带,但这种方法的有 效性取决于所用共模扼流圈的质量,最好选用内部匹配良好的扼流圈。使用扼流圈的另一潜在问题是无法像RC射频干扰滤波器那样提高输入保护功能。采用射频扼 流圈、额定增益为1000的AD620仪表放大器,输入1 V p-p共模正弦波时,图7所示电路可使直流失调电压降至低于4.5 V RTI 的水平。高频共模抑制比也大幅降低,如表I所示。

图7 使用商用共模射频扼流圈抑制射频干扰
由于有些仪表放大器比其它放大器较易受射频干扰影响,因此,使用共模扼流圈有时不足以解决问题。这些情况下,最好使用RC输入滤波器。
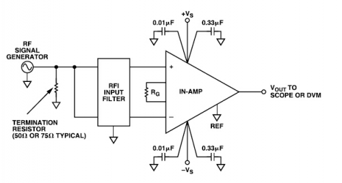
射频干扰测试
图8显示的是一种用于射频干扰抑制测试的典型设置。若要测试这些电路的射频干扰抑制情况,请用极短的引线将两个输入端连接起来。用一条50 端接电缆将优质正弦波发生器连接到该输入端。

图8 用于仪表放大器射频干扰抑制测量的典型设置
拿一个示波器,调节正弦波发生器以使发生器端的输出为1 V p-p。将仪表放大器设置为高增益(如100)。直流失调电压可用一个数字电压表(DVM)直接在仪表放大器的输出端读取。若要测量高频共模抑制,将示波 器通过补偿过的探头与仪表放大器输出端相连,并测量对输入频率的峰-峰值输出电压(即馈通)。当计算对频率的共模抑制比时,务必考虑输入端接 (VIN/2)以及仪表放大器增益。
- Wi-Fi存在的最大问题:干扰(05-29)
- 机场通信射频干扰排查案例(02-17)
- 智能Wi-Fi应对射频干扰挑战(07-10)
- 泰克搜索射频干扰的快速、多用途解决方案(09-11)
- Multisim 10在差动放大电路分析中的应用(02-15)
- SiC宽带功率放大器模块设计(06-28)
