RFID导购机器人导航与控制系统的设计方案研究

图1 555发射电路

图2频率识别电路

图3检测放大电路
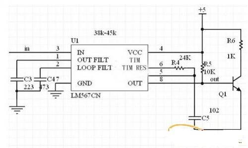
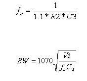
LM567是锁相环电路,8脚双列直插封装。第5、6脚外接的电阻和电容决定了内部压控振荡器的中心频率。1、2脚通常分别通过一个电容器接地,产生输出滤波网络和环路单级低通滤波网络。2脚接的电容决定锁相环路的捕捉带宽:电容值越大,环路带宽越窄。压控振荡器的中心频率和滤波带宽可由式子3和式子4决定。

(其中Vi为输入电压)
然后是电子罗盘模块。CMPS03电子罗盘是平面角度传感器。通过检测当前传感器与地球磁场直接的角度,电子罗盘可以获得分辨率为0.1度的绝对旋转角度。这个电子罗盘模块是专门为机器人而制造,目的为了给机器人提供合适的方向导航信号。对于任何方向,都可以生成独一无二的编码。该传感器使用PHILIPS的KMZ51地磁感应芯片,其精度很高。有两种输出方式,第一种:I2C方式,由Pin2(SCL)和Pin3(SDA)输出。Pin7和Pin5必须悬空。Pin6用来进行校正。这些管脚都接到主板上,由于模块是5V供电,而DSP是3.3V所以还需要用74LVC245进行电平转换。通过2812的GPIOB通过Pin6对系统进行校正。校正只需要做一次,因为数据会保存在电子罗盘中的PIC单片机的EEPROM.第6脚有一个上拉电阻。进行校正只需要通过GPIO给Pin6一个负相脉冲,而且因为有上拉电阻,所以,此管脚与系统断开也是可以的。
最后是系统的驱动模块的设计。采用L298芯片。L298是SGS公司的产品,比较常见的是15脚Multiwatt封装的L298N,内部同样包含4通道逻辑驱动电路。L298内含的功率输出器件设计制作在一块石英基片上,由于制作工艺的同一性,因而具有分立元件组合电路不可比拟的性能参数一致性,工作稳定。15脚是输出电流反馈引脚,其它与L293相同。在通常使用中这两个引脚也可以直接接地。它是高电压的,高电流的双全桥驱动芯片。可以直接接受标准的TTL逻辑电平。可以驱动各种负载如电机,继电器等。有两个使能输入,通过它控制PWM波的有效性。L298集成有两个能量输出块A,B.另外,我们设计的板子上加有续流二极管。
2.3驱动程序设计
通过编写InitSysCtrl()函数,对看门狗控制寄存器WDCR进行设置,其WDFLAG位是看门狗复位状态位。如果该位置位表示一个看门狗复位。向WDDIS位写1会使看门狗模块无效。写0对看门狗使能。而对于WDPS位主要是决定看门狗计数器的时钟速率。由于程序中包含有许多循环,所以对于看门狗的设置要特别注意。然后通过设置PLLCR对系统锁相环进行设置。这时候要注意,程序需要加入,5000次循环等待锁相稳定。这一点在2407里并不是必要的,而针对2812系统要注意这点。然后通过HISPCP和LOSPCP来对高速和低速外设来进行匹配。由于在程序中使用了中断,所以需要对外设中断扩展PIE进行设置。方向传感器通过捕获单元和DSP核心进行连接。一次脉冲的捕获需要两次中断,通过控制和读取FIFO寄存器来取出方向的信息的脉冲编码。另外,红外避障模块通过74LV245模块,转换电平后,和中断管脚进行连接。所以要对中断函数进行编程。和RFID传感器通讯是通过2812的双线异步串口。SCI模块支持CPU与采用非返回至0(non-return-to-zero)(NRZ)标准格式的异步外围设备之间的数字通信。2812的SCI接收器有一个16级深度的FIFO,这样可以减少空头的服务。程序通过判断TxRDY位来判断有没有RFID中断。这样,可以及时的发现机器人是否到了一个新的位置。然后读取SCIRXBUF.最后,通过EV单元设置PWM脉冲,从而控制机器人的走向。
3结论以及实现后的系统
最后,在联华超市附近调试整个系统。经过反复调试,和对程序的修改,实现了对射频路径点的导航。最终系统运行情况如图6所示:

图4机器人在超市的实际运行
RFID TTL EEPROM 导购机器人 导航 相关文章:
- 可的冷链物流周转箱的RFID解决方案(09-11)
- RFID在生产线自动化的应用(12-22)
- IBM中国银行业RFID VIP识别解决方案(01-10)
- 基于RFID的高速公路监控系统的解决方案(12-07)
- 大众汽车厂游乐园的RFID应用(10-06)
- RFID识别技术的企业生产线管理解决方案(02-22)
